Разборка, проверка, очистка и ремонт
1. Снимите масляный поддон.
2. Проверьте величину осевого зазора шатунного подшипника.
- С помощью щупа измерьте осевой зазор шатунного подшипника.
Осевой зазор:
- номинальный — 0,15 - 0,30 мм
- максимальный — 0,40 мм
D15B, D17A.
К20А.
Если осевой зазор больше максимального, замените шатун в сборе.
При необходимости замените коленчатый вал.
3. Снимите крышку нижней головки шатуна и проверьте радиальный зазор шатунного подшипника.
а) Отверните два болта крепления крышки нижней головки шатуна.

б) Проверьте совмещение меток на шатуне и крышке нижней головки шатуна, чтобы обеспечить в последующем его правильную сборку.
Если метки отсутствуют, то керном нанесите их на крышки и шатуны.
в) Используя молоток с пластиковым бойком, слегка постучите по шатунным болтам и снимите нижнюю крышку шатуна, покачивая ее из стороны в сторону.
Примечание: нижний вкладыш должен остаться в крышке нижней головки шатуна.
г) Очистите шатунную шейку и вкладыши.
Разборка и сборка блока цилиндров (К20А, этап 1). 1 - маслоуспокоитель (модели без блока балансирных валов), 2 - маслоуспокоитель (модели с блоком балансирных валов), 3 - крышка коренных подшипников коленчатого вала, 4 - пластина привода гидротрансформатора (модели с АКПП), 5 - маховик (модели с МКПП), 6 - задний сальник коленчатого вала, 7 - упорные полукольца, 8 - коленчатый вал, 9 - вкладыши коренных подшипников коленчатого вала, 10 - направляющие болтов, 11 - болты крепления крышки коренных подшипников коленчатого вала.
д) Проверьте поверхности шатунной шейки и вкладыша на отсутствие точечной коррозии и царапин.
При наличии рисок и задиров замените вкладыши. При необходимости перешлифуйте шейки или замените коленчатый вал.

е) Установите пластиковый калибр для измерения зазоров в подшипниках, как показано на рисунке.

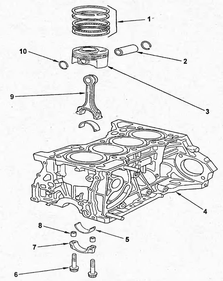
Разборка и сборка блока цилиндров (К20А, этап 2). 1 - поршневые кольца, 2 - поршневой палец, 3 - поршень, 4 - блок цилиндров, 5 - вкладыш шатунного подшипника коленчатого вала, 6 - болты крепления крышки нижней головки шатуна, 7 - крышка нижней головки шатуна, 8 - направляющие болтов, 9 - шатун, 10 - стопорное кольцо.
ж) Установите крышку нижней головки шатуна, совместив выступы на крышке нижней головки шатуна с пазами на шатуне. Затяните болты крепления крышки нижней головки шатуна.
Момент затяжки:
D17A, D15B — 32 Н·м
К20А (модели с блоками коромысел 1 и 2 типов):
- 1 шаг — 20 Н·м
- 2 шаг — 90°
К20А (модели с блоком коромысел 3 типа):
- 1 шаг — 29 Н·м
- 2 шаг — 90°
з) Снимите крышку нижней головки шатуна.
и) Измерьте ширину сплющенного пластикового калибра в наиболее широкой части и определите величину зазора шатунного подшипника.

Номинальный зазор:
- D15B, D17A — 0,024 - 0,042 мм
- К20А (модели с блоками коромысел 1 и 2 типов) — 0,021 - 0,049 мм
- К20А (модели с блоком коромысел 3 типа) — 0,033 - 0,061 мм
Максимальный зазор:
- D15B, D17A — 0,050 мм
- К20А (модели с блоками коромысел 1 и 2 типов) — 0,060 мм
- К20А (модели с блоком коромысел 3 типа) — 0,072 мм
Если зазор больше максимального, замените подшипники. При необходимости прошлифуйте или замените коленчатый вал.
Выбор вкладыша шатунного подшипника.
Примечание: существуют 4 размерные группы шатунов, различающиеся метками "1", "2", "3", "4" или "|", " ||", "|||", "||||". На коленчатом валу также есть метки. Производите выбор вкладыша шатунного подшипника в зависимости от меток и пользуясь таблицей "Выбор вкладыша шатунного подшипника коленчатого вала".


Толщина вкладыша шатунного подшипника.
Номинальная толщина — 1,5 мм
ж) Установите крышку нижней головки шатуна, совместив выступы на крышке нижней головки шатуна с пазами на шатуне. Затяните болты крепления крышки нижней головки шатуна.
Момент затяжки:
D17A, D15B — 32 Н·м
К20А (модели с блоками коромысел 1 и 2 типов):
- 1 шаг — 20 Н·м
- 2 шаг — 90°
К20А (модели с блоком коромысел 3 типа):
- 1 шаг — 29 Н·м
- 2 шаг — 90°
з) Снимите крышку нижней головки шатуна.
и) Измерьте ширину сплющенного пластикового калибра в наиболее широкой части и определите величину зазора шатунного подшипника.
Номинальный зазор:
- D15B, D17A — 0,024 - 0,042 мм
- К20А (модели с блоками коромысел 1 и 2 типов) — 0,021-0,049 мм
- К20А (модели с блоком коромысел 3 типа) — 0,033-0,061 мм
Максимальный зазор:
- D15B, D17A — 0,050 мм
- К20А (модели с блоками коромысел 1 и 2 типов) — 0,060 мм
- К20А (модели с блоком коромысел 3 типа) — 0,072 мм
Если зазор больше максимального, замените подшипники. При необходимости прошлифуйте или замените коленчатый вал.
Выбор вкладыша шатунного подшипника.
Примечание: существуют 4 размерные группы шатунов, различающиеся метками "1", "2", "3", "4" или "|", " ||", "|||", "||||". На коленчатом валу также есть метки. Производите выбор вкладыша шатунного подшипника в зависимости от меток и пользуясь таблицей "Выбор вкладыша шатунного подшипника коленчатого вала".
Таблица. Отклонение толщины вкладыша коренного подшипника (D15B, D17A).
| Метка | Цвет | Отклонение, мм |
| G | Красный | -0,005 - -0,008 |
| F | Розовый | -0,002 - -0,005 |
| E | Желтый | -0,001 - -0,002 |
| D | Зеленый | -0,004 - -0,001 |
| C | Коричневый | -0,007 - -0,004 |
| B | Черный | -0,010--0,007 |
| A | Голубой | -0,013--0,010 |
Таблица. Отклонение толщины вкладыша шатунного подшипника (К20А модели с 1 и 2 типом блока коромысел системы Х/ТЕС).
| Метка | Цвет | Отклонение, мм |
| G | Красный | -0,008 - -0,005 |
| F | Розовый | -0,005 - -0,002 |
| E | Желтый | -0,002 - -0,001 |
| D | Зеленый | -0,001 - -0,004 |
| C | Коричневый | -0,004 - -0,007 |
| B | Черный | -0,007 - -0,010 |
| A | Голубой | -0,010 - -0,013 |
Таблица. Отклонение толщины вкладыша шатунного подшипника (К20А модели с 3 типом блока коромысел системы УТЕС).
| Метка | Цвет | Отклонение, мм |
| G | Красный | -0,014 - -0,011 |
| F | Розовый | -0,011 - -0,008 |
| E | Желтый | -0,008 - -0,005 |
| D | Зеленый | -0,005 - -0,002 |
| C | Коричневый | -0,002 - -0,001 |
| B | Черный | -0,001 - -0,004 |
| A | Голубой | -0,004 - -0,007 |

к) Удалите остатки пластикового калибра с рабочих поверхностей шейки и вкладыша.
4. Снимите поршень и шатун в сборе.
а) Удалите нагар с верхней части цилиндра.
б) Извлеките поршень в сборе с шатуном и верхним вкладышем подшипника через верхнюю часть блока цилиндров.
Примечание: храните поршни в сборе с шатунами, вкладыши и крышки комплектами, чтобы не перепутать их при установке.
5. Индикатором измерьте осевой зазор коленчатого вала, перемещая последний "назад - вперед" с помощью отвертки.
D15B, D17A.
К20А.
Осевой зазор:
- номинальный — 0,10-0,30 мм
- максимальный — 0,40 мм
Если осевой зазор больше максимального, замените упорные полукольца и/или коленчатый вал.
6. Снимите крышки коренных подшипников и проверьте радиальные масляные зазоры,
а) (К20А) Снимите пластины маслоуловителя.
Момент затяжки — 12 Н·м

Таблица. Выбор вкладыша коренного подшипника (D15B, D17A).
| Метки на блоке цилиндров | А | В | С | D | |
| Метки на коленчатом валу | - | - | - | - | |
| 1 | Красный | Розовый | Желтый | Зеленый | |
| 2 | Розовый | Желтый | Зеленый | Коричневый | |
| 3 | Желтый | Зеленый | Коричневый | Черный | |
| 4 | Зеленый | Коричневый | Черный | Голубой | |
Таблица. Выбор вкладыша коренного подшипника (К20А).
| Метки на блоке цилиндров | А | В | С | D | |
| Метки на коленчатом валу | - | - | - | - | |
| 1 | Розовый | Розовый/ Желтый | Желтый | Зеленый | |
| 2 | Розовый/ Желтый | Желтый | Зеленый | Зеленый/ Коричневый | |
| 3 | Желтый | Зеленый | Зеленый/ Коричневый | Коричневый | |
| 4 | Зеленый | Зеленый/ Коричневый | Коричневый | Черный | |
| 5 | Зеленый/ Коричневый | Коричневый | Черный | Черный/ Голубой | |
| 6 | Коричневый | Черный | Черный/ Голубой | Голубой | |
Разборка и сборка блока цилиндров (D15B, D17A). 1 - поршневые кольца, 2 - поршень, 3 - поршневой палец, 4 - блок цилиндров, 5 - крышка нижней головки шатуна, 6 - вкладыш шатунного подшипника коленчатого вала, 7 - шатун.
Таблица. Выбор вкладыша шатунного подшипника.
| Метки на блоке цилиндров | 1 или | | 2 или || | 3 или ||| | 4 или |||| | |
| Метки на коленчатом валу | - | - | - | - | |
| А | Красный | Розовый | Желтый | Зеленый | |
| В | Розовый | Желтый | Зеленый | Коричневый | |
| С | Желтый | Зеленый | Коричневый | Черный | |
| D | Зеленый | Коричневый | Черный | Голубой | |
б) (К20А) Отверните болты (8 мм) в последовательности, указанной на рисунке.

в) Проверьте совмещение меток на крышках коренных подшипников и блоке цилиндров, чтобы обеспечить в последующем его правильную сборку. Если метки отсутствуют, то керном нанесите их на крышки и на блок цилиндров.
г) Равномерно ослабьте и отверните болты крепления крышки коренных подшипников в несколько проходов в последовательности, показанной на рисунке.

д) С помощью отвертки отделите и снимите крышки коренных подшипников.
D15B,D17A.
К20А.
Примечание:
- Снимайте крышку коренного подшипника, медленно покачивая ее из стороны в сторону, чтобы не повредить сопрягаемые поверхности крышки подшипника и блока цилиндров.
- Храните крышки коренных подшипников вместе с нижними вкладышами, чтобы не перепутать их при установке.
е) Поднимите коленчатый вал.
Примечание: оставьте верхние вкладыши подшипников и верхние упорные полукольца в блоке цилиндров.
ж) Очистите каждую коренную шейку и вкладыши.
з) Проверьте поверхность каждой коренной шейки и вкладышей на отсутствие точечной коррозии и царапин.
Если шейка или вкладыш повреждены, замените вкладыши. При необходимости перешлифуйте или замените коленчатый вал.
и) Установите верхние вкладыши коренных подшипников коленчатого вала и уложите коленчатый вал в блок цилиндров.
к) Положите пластиковый калибр для измерения зазоров в подшипниках скольжения на каждую коренную шейку.

л) Установите крышки коренных подшипников.
м) Нанесите слой моторного масла на резьбу и под головки болтов крепления крышек коренных подшипников.
н)-Затяните болты крепления крышек коренных подшипников коленчатого вала в последовательности, указанной на рисунке.

Момент затяжки:
- D17A — 51 Нм
- D15B — 45 Н·м
К20А:
- 1 шаг — 29 Нм
- 2 шаг — 56°
о) Ослабьте болты крепления крышек коренных подшипников коленчатого вала и снимите крышки.
п) Измерьте максимальную ширину сплющенного пластикового калибра, определив по ней величину радиального масляного зазора.
Номинальный зазор:
D17A:
- шейки №1, 5 — 0,018 - 0,036 мм
- шейка №2, 3,4 — 0,024 - 0,042 мм
D15B:
- шейки №1, 5 — 0,018 - 0,036 мм
- шейка №2, 3,4 — 0,020 - 0,038 мм
К20А:
- шейки №1, 2, 4, 5 — 0,017 - 0,041 мм
- шейка №3 — 0,025 - 0,049 мм
Максимальный зазор:
- D15B, D17A — 0,05 мм
- К20А — 0,055 мм

Если масляный зазор больше максимального, замените подшипники. При необходимости перешлифуйте или замените коленчатый вал.
р) Выбор вкладышей подшипников коренных шеек коленчатого вала.
- Для выбора подшипника используйте метки, нанесенные на блок цилиндров (в задней части, блока цилиндров) и на коленчатый вал, как показано на рисунках.
Примечание: для выбора вкладыша коренного подшипника смотри таблицу "Выбор вкладыша коренного подшипника", где с лева на право идут размеры подшипников в сторону уменьшения и сверху вниз идут размеры подшипников в сторону уменьшения.
Примечание: если метки не видны из-за грязи, для очистки используйте только растворитель или моющее средство, не используйте скребок.
D15B, D17A.
К20А.

Расшифровка меток на блоке цилиндров.
Номинальный диаметр постели — 59 мм
Таблица. Метки на блоке цилиндров (К20А).
| Метка | Отклонение, мм |
| 1 или А | 0,000 - 0,006 |
| 2 или В | 0,006-0,012 |
| 3 или С | 0,012-0,018 |
| 4 или D | 0,018-0,024 |
Таблица. Метки на блоке цилиндров (D15В, D17A шейки №1 и №5).
| Метка | Отклонение, мм |
| А | -0,006 - 0,000 |
| В | 0,000 - 0,006 |
| C | 0,006-0,012 |
| D | 0,012-0,018 |
Таблица. Метки на блоке цилиндров (D15B, D17A шейки №2, №3 и №4).
| Метка | Отклонение, мм |
| А | 0,000 - 0,006 |
| В | 0,006-0,012 |
| С | 0,012-0,018 |
| D | 0,018-0,024 |
Толщина вкладыша коренного подшипника.
Номинальная толщина — 2 мм
Таблица. Отклонение толщины вкладыша коренного подшипника (D15B, D17A).
| Метка | Цвет | Отклонение, мм |
| G | Красный | -0,002 - -0,005 |
| F | Розовый | 0,001 - -0,002 |
| Е | Желтый | 0,004 - 0,001 |
| D | Зеленый | 0,007 - 0,004 |
| С | Коричневый | 0,010-0,007 |
| В | Черный | 0,013-0,010 |
| А | Голубой | 0,016-0,013 |
Таблица. Отклонение толщины вкладыша коренного подшипника (К20А модели с 1 и 2 типом блока коромысел системы VTEC).
| Метка | Цвет | Отклонение, мм |
| F | Розовый | -0,006 - -0,003 |
| Е | Желтый | -0,003 - 0,000 |
| D | Зеленый | 0,000 - 0,003 |
| С | Коричневый | 0,003 - 0,006 |
| В | Черный | 0,006 - 0,009 |
| А | Голубой | 0,009 - 0,012 |
Таблица. Отклонение толщины вкладыша коренного подшипника (К20А модели с 3 типом блока коромысел системы VTEC).
| Метка | Цвет | Отклонение, мм |
| F | Розовый | -0,003 - 0,000 |
| Е | Желтый | 0,000 - 0,003 |
| D | Зеленый | 0,003 - 0,006 |
| С | Коричневый | 0,006 - 0,009 |
| В | Черный | 0,009 - 0,012 |
| А | Голубой | 0,012 - 0,015 |

7. Проверьте болты крепления нижней крышки шатуна.
а) Микрометром измерьте диаметр резьбы болтов в местах (А) и (В), указанных на рисунке.

б) Вычтите величину диаметра (А) из величины диаметра (В) и найдите разность.
Разность — 0-0,1 мм
Если разность диаметров больше регламентированной, замените болт.
8. Очистите блок цилиндров.
а) Удалите остатки прокладок с рабочих поверхностей блока цилиндров.
б) Растворителем и мягкой щеткой окончательно очистите блок цилиндров.
9. Проверьте поверхность газового стыка блока цилиндров на неплоскостность с помощью прецизионной линейки и плоского щупа.
- Номинальная неплоскостность — 0,07 мм
- Максимальная неплоскостность — 0,10 мм

Если неплоскостность превышает указанное значение, замените блок цилиндров.
10. Проверьте зеркало цилиндров на наличие вертикальных царапин.
Если имеются глубокие царапины, то замените блок цилиндров.
11. Измерьте диаметр цилиндра.
Индикатором-нутромером измерьте диаметр цилиндра на трех уровнях "А", "В" и "С" в поперечном (Х-Х) и продольном (Y-Y) направлениях, как показано на рисунке.

Номинальный диаметр цилиндра:
D15B, D17A:
- Номинальный размер — 75,00 - 75,02 мм
- 1-й ремонтный размер (0,25) — 75,25 - 75,27 мм
- 2-й ремонтный размер (0,50) — 75,50 - 75,52 мм
- Минимальный размер — 75,07 мм
К20А:
Номинальный размер:
- 1 вид — 86,01 - 86,02 мм
- 2 вид — 86,00 - 86,01 мм
- 1-й ремонтный размер (0,25) — 86,25 - 86,26 мм
- Минимальный размер — 86,07 мм
Максимальная разница между измерениями — 0,05 мм
К20А.
Если диаметр больше максимально допустимого, расточите все цилиндры или замените блок цилиндров.
[Текст статьи доступен на сайте: Hondabook.ru]
