Оглавление: Снятие ⇊ Разборка, проверка, очистка, и…⇊ Проверка блока коромысел системы VTEC ⇊ Разборка и сборка блока коромысел…⇊ Оси коромысел (модели без системы…⇊ Установка ⇊
Снятие
Примечание:
- Во избежание коробления головки блока цилиндров не снимайте ее при температуре охлаждающей жидкости выше 38V.
- Промаркируйте все провода и шланги перед разъединением. Убедитесь, что они не контактируют с другими проводами, шлангами и деталями.
1. Перед проведением работ отключите охранную систему автомобиля.
2. Отсоедините провод от отрицательной клеммы аккумуляторной батареи.
3. Слейте охлаждающую жидкость.
4. Снимите впускной резонатор.

5. Снимите трос (В) привода дроссельной заслонки, ослабив контргайку (А), и выньте его из кронштейнов.

Внимание: не погните трос. Если трос погнут, то его необходимо заменить.
6. Отсоедините разъем (А) датчика температуры воздуха на впуске, снимите впускной шланг (В) и снимите воздушный фильтр (С).

7. Снимите шланг (В) вакуумного усилителя и шланг (А) системы принудительной вентиляции картера.

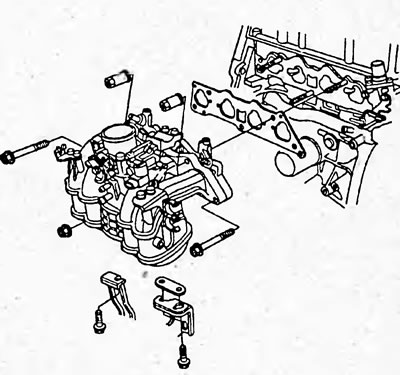
Снятие и установка головки блока цилиндров. 1 - уплотнительное кольцо, 2 - прокладка головки блока цилиндров, 3 - прокладка, 4 - переходник системы охлаждения, 5 - болты крепления головки блока цилиндров, 6 - установочный штифт.
8. Снизьте давление в топливной системе.
9. Отсоедините шланг аккумулятора паров топлива.

10. Снимите провод массы (Е), верхний (А) и нижний (В) шланги радиатора, шланг (С) отопителя салона и перепускной шланг (D) системы охлаждения.

11. Отверните два болта крепления трубки системы охлаждения, отсоедините трубку (А) системы охлаждения и перепускной шланг (В) системы охлаждения.

12. Отсоедините разъемы указанных ниже датчиков и клапанов, отсоединив зажимы, затем снимите жгут проводов.
- Разъем датчика положения дроссельной заслонки.
- Разъем датчика абсолютного давления во впускном коллекторе.
- Разъемы форсунок.
- Разъем датчика температуры охлаждающей жидкости.
- Разъем выключателя вентилятора системы охлаждения.
- Разъем кислородного датчика.
- (D17A) Разъем клапана системы изменения фаз газораспределения и высоты подъема клапанов (VTEC).
- (D17A) Разъем датчика аварийного давления масла системы VTEC.
- Разъем датчика аварийного давления моторного масла.
- (D15B) Разъем датчика состава смеси.
13. Поддомкратьте двигатель. Положите деревянный брусок между пятой домкрата и двигателем.
Примечание: не устанавливайте домкрат в центр масляного поддона во избежание повреждения поддона.
14. Снимите кронштейн верхней опоры двигателя.

15. Снимите теплозащитный экран (А) выпускного коллектора и выпускной коллектор (В).
Тип 1.
Тип 2.
16. Снимите впускной коллектор.

17. Снимите катушки зажигания и крышку головки блока цилиндров (см. раздел "Проверка и регулировка тепловых зазоров в приводе клапанов").
18. Снимите ремень привода ГРМ (см. раздел "Ремень привода ГРМ").
19. Снимите зубчатый шкив распределительного вала, отвернув болт крепления, и снимите заднюю крышку.
20. Отверните болты крепления головки блока цилиндров. Для предотвращения коробления головки блока цилиндров отворачивайте болты поочередно на 1/3 оборота за проход в последовательности, показанной на рисунке.

21. Снимите головку блока цилиндров.
22. Снимите блок коромысел системы VTEC в сборе и распределительные валы.
а) Ослабьте регулировочные гайки (А).

б) Отверните болты крепления крышек подшипников распределительного вала в 2 прохода в последовательности. указанной на рисунке.

в) Снимите крышки подшипников распределительного вала и распределительный вал.
г) Снимите блок коромысел системы VTEC.
Разборка, проверка, очистка, и ремонт головки блока цилиндров
Процедуры разборки, проверки, очистки, ремонта и сборки деталей головки блока цилиндров рассмотрены в главе "Двигатель - общие процедуры ремонта".
Проверка блока коромысел системы VTEC
Примечание: проверка производится на автомобиле. Перед проверкой установите поршень цилиндра №1 в ВМТ.
а) Убедитесь, что вторичное коромысло (А) впускных клапанов перемещается независимо от главного коромысла (В) впускных клапанов.

Если вторичное коромысло не перемещается свободно, снимите первичное коромысло и вторичное коромысло в сборе и проверьте, что синхронизирующий палец вращается плавно. При необходимости замените первичное и вторичное коромысла в сборе.
б) Проверьте все коромысла указанным выше способом, устанавливая поршень каждого цилиндра в ВМТ.
в) Накройте ремень привода ГРМ, чтобы предотвратить попадания на него грязи.
г) Установите спецприспособление в отверстие для снижения давления.

д) Отверните и снимите болт-заглушку (А) из проверочного отверстия (В) и подсоедините к отверстию спецприспособление.

е) Приложите давление 250 кПа.
Примечание: если синхронизирующие пальцы не вращаются после увеличения давления, то поверните коленчатый вал против часовой стрелки, чтобы главные и вспомогательные коромысла начали двигаться.
ж) Подвигайте вторичное коромысло (А) цилиндра №1. Первичное (В) и вторичное коромысла должны двигаться вместе.
Если первичное коромысло не перемещается свободно, снимите первичное коромысло и вторичное коромысло в сборе и проверьте, что синхронизирующий палец вращается плавно. При необходимости замените первичное и вторичное коромысла в сборе.
з) Снимите спецприспособления и установите болт-заглушку и распределительный вал.
Блок коромысел системы VTEC. 1 - резинка, 2 - ось коромысел выпускных клапанов, 3 - уплотнение "В", 4 - коромысла выпускных клапанов, 5 - уплотнение "А", 6 - крышка №1 подшипника распределительного вала, 7 - коромысла "А" впускных клапанов, 8 - ось коромысел впускных клапанов, 9 - пружина, 10 - коромысла "В" впускных клапанов, 11 - крышка №5 подшипника распределительного вала, 12 - крышка №4 подшипника распределительного вала, 13 - крышка №3 подшипника распределительного вала, 14 - крышка №2 подшипника распределительного вала.
Оси коромысел. 1 - уплотнение, 2, 6, 10, 12 - метка, 3 - впускные коромысла "В", 4 - ось впускных коромысел, 5 - впускные коромысла "А", 7 - пружина, 8 - крышка №1 подшипника распределительного вала, 9 - выпускные коромысла "А", 11 - ось выпускных коромысел, 13 - пружина, 14 - выпускные коромысла "В", 15 - крышка №5 подшипника распределительного вала, 16 - крышка №4 подшипника распределительного вала, 17 - крышка №3 подшипника распределительного вала, 18 - крышка №4 подшипника распределительного вала.
Разборка и сборка блока коромысел системы VTEC
Примечание:
- При разборке блока коромысел системы VTEC складывайте детали в порядке их снятия, для последующей установки их на свое место.
- При снятии коромысел не отворачивайте болты крепления крышек подшипников распределительных валов.
- Перед сборкой очистите все детали растворителем и нанесите слой консистентной смазки на контактные поверхности.
- При сборке коромысел нанесите слой моторного масла на поверхности синхронизирующих пальцев.
- После сборки коромысел скрепите их резинкой.
Оси коромысел (модели без системы VTEC)
Примечания описанные в подразделе "Блок коромысел системы VTEC" справедливы и для данного подраздела.
Установка
Примечание:
- Перед установкой вытрите шкивы и крышки ремня привода ГРМ ветошью.
- Прокладка головки блока цилиндров сделана из металла, не допускайте ее изгиба.
- Проверьте шайбы болтов, замените изношенные или поврежденные.
Установка головки, блока цилиндров производится в последовательности, обратной снятию.
1. Установите блок коромысел системы VTEC, распределительный вал и зубчатый шкив распределительного вала.
а) Очистите шейки распределительного вала и постели головки блока цилиндров, затем нанесите слой масла на очищенные поверхности.
б) Очистите и установите перепускной масляный клапан (А) с новым уплотнительным кольцом (В). Поверните распределительный вал так, чтобы шпоночный паз (С) был направлен вверх.

в) Ослабьте регулировочные гайки.
г) Нанесите слой герметика на крышки №1 и №5 подшипников распределительного вала, как показано на рисунке.
Примечание: детали необходимо установить в течение времени, указанного в инструкции по применению герметика. В противном случае герметик должен быть удален и нанесен заново.

д) Установите блок коромысел системы VTEC в нужное положение и наживите болты крепления.
Примечание: убедитесь, что коромысла правильно прилегают к клапанам.
е) Затяните болты крепления крышек подшипников распределительного вала в 2 прохода в последовательности, указанной на рисунке.
Примечание: нанесите слой моторного масла на резьбу болтов. Болты 06 мм на рисунке обозначены номерами "11", " 12", "13", "14".
Момент затяжки:
- болты 08 мм — 20 Н·м
- болты 06 мм — 12 Н·м

ж) Установите заглушку (В) на головку блока цилиндров так, чтобы метки (А) на заглушке лежали в плоскости головки блока цилиндров.

з) Установите заднюю крышку ремня привода ГРМ, зубчатый шкив распределительного вала и затяните болты крепления.
Момент затяжки:
- болты крепления крышки — 10 Н·м
- болт крепления шкива — 37 Н·м
2. Очистите поверхность головки блока цилиндров и блока цилиндров.
3. Установите новую прокладку (В) головки блока цилиндров и установочные штифты (А) на блок цилиндров.
Примечание: всегда используйте новую прокладку головки блока цилиндров.

4. Совместите метку (А) на ведущем шкиве ремня привода ГРМ с репером (В) на масляном насосе.

5. Установите поршень первого цилиндра в ВМТ. При этом метка "UP" (А) на шкиве распределительного вала должна быть направлена вверх, а метки ВМТ (В) должны лежать в плоскости головки блока цилиндров.

6. Положите головку блока цилиндров на блок цилиндров.
7. Нанесите свежее моторное масло на резьбы и под головки болтов.
8. Затяните болты крепления головки блока цилиндров в последовательности, показанной на рисунке. Не перетягивайте болты. Если при затяжке болт издает звуки, выверните его и затяните заново.
Момент затяжки:
- 1 этап — 20 Н·м
- 2 этап — 49 Н·м
- 3 этап — 67 Н·м

9. Установите ремень привода ГРМ (см. раздел "Ремень привода ГРМ").
10. Отрегулируйте тепловой зазор в приводе клапанов.
11. Установите крышку головки блока цилиндров (см. раздел "Проверка и регулировка тепловых зазоров в приводе клапанов").
12. Установите новую прокладку (А), впускной коллектор (В), затяните болты и гайки крепления крест-накрест в 2-3 прохода, начиная с внутренних гаек. Установите кронштейны впускного коллектора и затяните болты крепления.
Момент затяжки:
- болты и гайка "7", "2" "4" — 22 Н·м
- болты "3" — 12 Н·м

13. Установите выпускной коллектор (В) с новой прокладкой (А) и затяните новые гайки крепления. Установите теплозащитный экран (С) и затяните болты крепления. Затяжку производите крест-накрест в 2-3 прохода.
Момент затяжки:
- болты "1" и гайки "3" — 31 Н·м
- болт "4" — 24 Н·м
- болт "2" — 22 Н·м
Тип 1.
Тип 2.
14. Подсоедините приемную трубу системы выпуска ОГ с новой прокладкой и кронштейн выпускного коллектора.
15. Установите трубку (В) системы охлаждения с новым уплотнительным кольцом (С). Установите перепускной шланг (А) системы охлаждения.

16. Установите провод массы (Е) и затяните болт крепления. Установите верхний (А) и нижний (В) шланги радиатора, шланг (С) отопителя салона и перепускной шланг (D) системы охлаждения.
Момент затяжки — 10 Н·м

17. Установите топливные шланги.
18. Установите шланг аккумулятора паров топлива.

19. Подсоедините шланг (В) вакуумного усилителя тормозов и шланг (А) системы принудительной вентиляции картера.

20. Установите воздушный фильтр (А), подсоедините разъем (В) датчика температуры воздуха на впуске и подсоедините спускной шланг (С).
Момент затяжки — 12 Н·м

21. Установите впускной резонатор.
Момент затяжки — 12 Н·м
22. Установите трос привода дроссельной заслонки, трос системы поддержания скорости (круиз контроля) и отрегулируйте их.
23. Подсоедините разъемы к датчикам и клапанам, указанным в пункте 15.
24. Подсоедините провод к отрицательной клемме аккумуляторной батареи.
25. Убедитесь, что все трубки и разъемы подсоединены правильно.
26. Проверьте утечки топлива.
Поверните ключ зажигания в положение "ON" (не запускайте двигатель) так, чтобы топливный насос поработал 2 секунды и поднял давление в топливной магистрали. Повторите данную операцию 2-3 раза и проверьте топливную магистраль на наличие утечек топлива.
27. Залейте охлаждающую жидкость и удалите воздух.
Разборка и сборка блока цилиндров. 1 - передний сальник коленчатого вала, 2 - датчик детонации, 3 - вкладыш подшипника коренной шейки коленчатого вала, 4 - прокладка, 5 - маслоприемник, 6 - крышка коренных подшипников, 7 - масляный поддон (модели со стальным масляным поддоном), 8 - болт сливного отверстия, 9 - шайба, 10 - масляный поддон (модели с алюминиевым масляным поддоном), 11 - маховик, 12 - коленчатый вал, 13 - задний сальник коленчатого вала, 14 - держатель заднего сальника коленчатого вала, 15 - установочный штифт, 16 - упорные полукольца, 17 - уплотнительное кольцо, 18 - масляный насос.
