
Индикатором измерьте осевой зазор при перемещении балансирных валов назад и вперед.
Осевой зазор балансирных валов:
- номинальный — 0,070 -0,135 мм
- максимально допустимый — 0,15 мм
Если осевой зазор больше максимально допустимого, замените упорную шайбу балансирного вала.
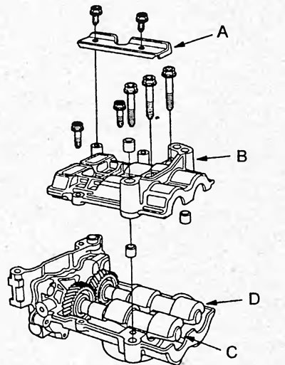
2. Отверните болты крепления, снимите пластину (А) маслоуспокоителя, крышку (В) корпуса балансирного механизма и снимите левый балансирный вал (D) и правый балансирный вал (С).
Примечание: не повредите поверхность подшипников балансирных валов.

3. Проверьте балансирные валы.
а) Измерьте внутренний диаметр подшипника балансирного вала.
Номинальный диаметр:
- левого балансирного вала — 20,000 - 20,020 мм
- правого балансирного вала — 24,000 - 24,020 мм
Максимальный диаметр:
- левого балансирного вала — 20,03 мм
- правого балансирного вала — 24,03 мм

б) Измерьте диаметр шеек №1 балансирных валов.
Номинальный диаметр:
- левого балансирного вала — 19,938 - 19,950 мм
- правого балансирного вала — 23,938 - 23,950 мм
Минимальный диаметр:
- левого балансирного вала — 19,92 мм
- правого балансирного вала — 23,92 мм

в) Очистите шейки №2 балансирных валов и внутреннюю поверхность подшипника.
г) Положите пластиковый калибр на каждую шейку балансирных валов.
д) Установите крышку корпуса балансирного механизма и затяните болты крепления.
Примечание: во время проверки не вращайте балансирные валы.
Момент затяжки — 27 Н·м
е) Снимите крышку корпуса балансирного механизма и измерьте ширину сплющенного пластикового калибра, определив по ней величину радиального масляного зазора.
- Номинальный зазор — 0,060 -0,120 мм
- Максимальный зазор — 0,15 мм

4. Введите шестерни балансирных валов в зацепление так, чтобы метка на шестерне правого балансирного вала была посередине между двумя метками на шестерне левого балансирного вала и установите балансирные валы в корпус балансирного механизма.

5. Нанесите слой моторного масла на резьбу болтов крепления крышки корпуса балансирного механизма, установите крышку и затяните болты крепления.

Сборка
Примечание:
- Тщательно очистите все детали, предназначенные для сборки.
- Перед сборкой смажьте свежим моторным маслом все детали, образующие узлы вращения или скольжения.
- Замените все прокладки, кольцевые уплотнения и сальники новыми.
1. Установите вкладыши коренных и шатунных подшипников.
2. Установите верхние упорные полукольца в постель блока коренного подшипника №4 смазочными канавками, направленными наружу.

3. Уложите коленчатый вал в блок цилиндров, держа его так, чтобы шатунные шейки №2 и №3 были вверху.
4. (К20А) Нанесите слой герметика на крышку коренных подшипников коленчатого вала, как показано на рисунке.

5. Установите крышки коренных подшипников и упорные полукольца.
А. Установите крышки коренных подшипников.
- а) Установите два упорных полукольца на крышку подшипника №4, сориентировав масляные канавки наружу.
- б) Установите крышку коренных подшипников.
- в) Используя молоток с пластиковым бойком, усадите крышки подшипников для их плотного прилегания.
D15B, D17A.
К20А.
- г) Нанесите тонкий слой моторного масла на резьбы и под головки болтов крепления крышек коренных подшипников.
Б. Затяните болты крепления крышек коренных подшипников.
- Затяните болты крепления крышек коренных подшипников.

Момент затяжки:
D15B — 45 Н·м
D17A:
- 1 шаг — 25 Н·м
- 2 шаг — 51 Н·м
К20А:
- 1 шаг — 29 Н·м
- 2 шаг — 60°
Если при затяжке какого-либо болта не достигается требуемый момент затяжки, замените болт.
6. (К20А) Затяните болты (8 мм) крепления крышки коренных подшипников в последовательности, указанной на рисунке.
Момент затяжки — 22 Н·м

7. Убедитесь, что коленчатый вал вращается плавно.
8. Используя стрелочный индикатор, измерьте осевой зазор коленчатого вала при перемещении коленчатого вала отверткой (см. выше).
9. Установите поршень и шатун в сборе.
а) Установите в цилиндры поршневые комплекты в соответствии с их номерами, сориентировав метки (В) на поршнях по направлению к передней части двигателя. Установите резиновые изоляторы (А) на резьбу болтов шатуна.
D15B, D17A.
К20А.
б) Лёгкими постукиваниями заведите поршень в цилиндр.

10. Установите крышки нижних головок шатунов.
- а) Установите крышки нижних головок шатунов на шатуны.
- б) Проверьте соответствие нумерации крышек шатунных подшипников и шатунов.
- в) Нанесите моторное масло на резьбу болтов крепления.
- г) Равномерно и попеременно затяните гайки (болты) крепления крышек нижних головок шатунов.
Момент затяжки:
D15B, D17A — 32 Н·м
К20А (модели с блоками коромысел 1 и 2 типов):
- 1 шаг — 20 Н·м
- 2 шаг — 90°
К20А (модели с блоком коромысел 3 типа):
- 1 шаг — 29 Н·м
- 2 шаг — 90°
Если какой-либо болт не затягивается указанным моментом, замените его.
11. Используя стрелочный индикатор, измерьте осевой зазор при перемещении шатуна назад и вперед (см. выше).
Текст статьи доступен на сайте: HondaBook.ru
