Проверка цепи системы запуска
Примечание:
- Операции должны проводиться при температуре 15-38°.
- После проведения операций необходимо стереть коды неисправностей.
- Рекомендуется использовать тестер системы запуска.
1. Подсоедините следующие приборы, как показано на рисунке:
- амперметр (0 - 400 А);
- вольтметр (0 - 20 В);
- тахометр.
D15B, D17A.
К20А.
2. Снимите предохранитель №17 (15А) (К20А), №46 (15А) (D15B, D17A) монтажного блока реле и предохранителей.
3. Нажмите на педаль сцепления или установите селектор АКПП в положении "Р" и поверните ключ зажигания в положение "START" (|||).
Стартер вращает коленчатый вал нормально?
- "Да" - система запуска в порядке.
- "Нет" - если стартер не вращает коленчатый вал, то переходите к пункту "4". Если частота вращения слишком низкая или неустойчивая, то переходите к пункту "7".
При необходимости проверьте стартер.
4. Проверьте аккумуляторную батарею. Проверьте проводку между аккумуляторной батареей и стартером.
Стартер вращает коленчатый вал нормально?
- "Да" - система запуска в порядке.
- "Нет" - переходите к пункту "5".
5. Убедитесь, что селектор АКПП находится в положении "Р", рычаг переключения передач в нейтральном положении.
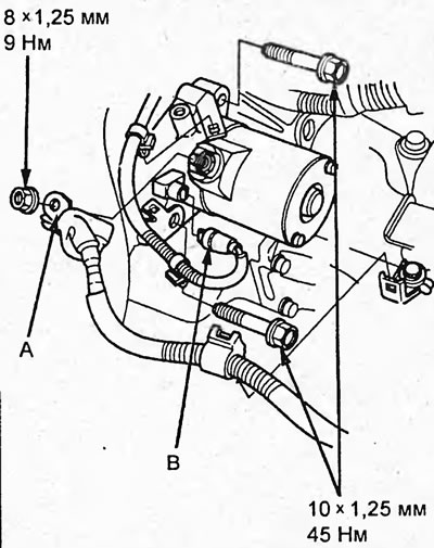
(К20А) Разъедините разъем (А) провода стартера и разъем (В) жгута проводов.
(D15B, D17A) Отсоедините провод BLK/WHT (А) от тягового реле стартера (В).
Установите перемычку между положительной клеммой аккумуляторной батареи и выводом разъема (А).
D15B, D17A (модели седан с АКПП).
D15B, D17A (остальные).
К20А.
Стартер вращает коленчатый вал нормально?
- "Да" - переходите к пункту "6".
- "Нет" - проверьте провод BLK/WHT между разъемом провода стартера и стартером, если он в порядке, проверьте стартер.
6. Проверьте следующее.
- Провод от вывода стартера, проводку и разъемы между стартером, замком зажигания и монтажным блоком реле и предохранителей.
- Замок зажигания.
- Выключатель запрещения запуска;
- Реле стартера.
7. Проверьте частоту вращения коленчатого вала при вращении стартером.
Частота вращения -100 об/мин
Частота вращения соответствует регламентированной?
- "Да" - переходите к пункту "8".
- "Нет" - проверьте стартер.
8. Проверьте напряжение и силу тока при вращении стартером.
Напряжение:
- D17A — не менее 8,0 В
- D15В (модели 4WD с МКПП) — не менее 8,5 В
- D15В (модели седан с АКПП) — не менее 10,0 В
- D15B, D17A остальные — не менее 9,0 В
- К20А — не менее 8,7 В
Сила тока:
- D17A — не более 200 А
- D15В (модели 4WD с МКПП) — не более 350 А
- D15В (модели седан с АКПП) — не более 235 А
- D15B, D17A остальные — не более 150 А
- К20А —не более 230 А
- "Да" - переходите к пункту "9".
- "Нет" - проверьте стартер.
9. Проверьте шестерни стартера, маховик или пластину привода гидротрансформатора на наличие повреждений или другие поломки.
Снятие и установка
1. Отсоедините провода от положительной и отрицательной клемм аккумуляторной батареи.
2. (D15B, D17A) Снимите впускной резонатор.
3. (К20А) Отсоедините разъем датчика детонации.
4. (К20А) Отверните болт (А) крепления кронштейна жгута проводов, затем снимите кронштейны впускного коллектора.

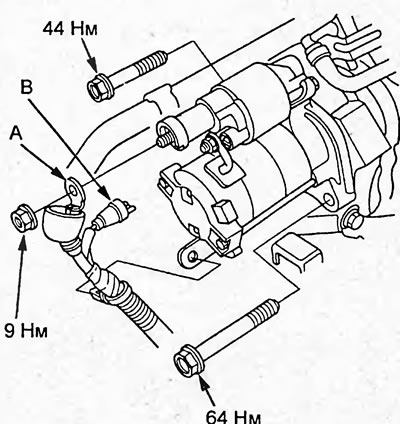
5. Отсоедините провод (А) стартера от вывода "В", затем отсоедините провод (В) BLK/WHT от вывода "S".
D15B, D17A (модели седан с АКПП).
D15B, D17A (остальные).
К20А.
6. Отверните два болта крепления стартера и снимите стартер.
7. Установка деталей производится в последовательности, обратной снятию. Подсоединяйте провод к выводу "В", как показано на рисунке.

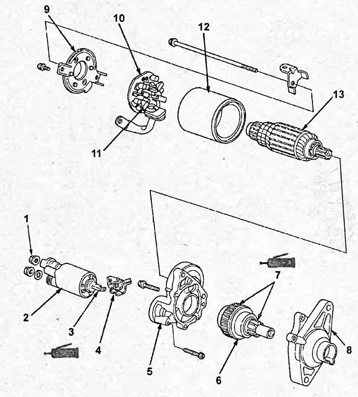
Разборка и сборка
1. Снимайте детали в порядке, указанном на рисунках "Разборка и сборка стартера".
2. Установка деталей производится в последовательности, обратной снятию.
Примечание по сборке стартера Denso (1,0 кВт), Mitsuba (1,0 кВт):
1. Немного отогните пружины щеток с помощью плоской отвертки, как показано на рисунке, затем установите щетки так, чтобы они наполовину выступали из щеткодержателя и отпустите пружины, чтобы они зафиксировали щетки.
Примечание: при установке новых щеток проделайте следующее. Оберните коллектор якоря наждачной бумагой №500-600, зернами наружу, и плавно по-вращайте якорь. Контактные поверхности щеток сотрутся до нужной величины, после чего щетки будут правильно прилегать к коллектору.

2. Установите якорь в держатель и установите щеткодержатель. Отогните пружины щеток и вдавите щетки внутрь щеткодержателя пока они не установятся в нужное положение на коллектор и отпустите пружины щеток.

3. Установите защитную пластину стартера для фиксации щеткодержателя.
Denso (0,8 кВт):
1. Установите якорь в корпус стартера, установите щеткодержатель и щетки. Примечание: при установке новых щеток проделайте следующее. Оберните коллектор якоря наждачной бумагой №500-600, зернами наружу, и плавно повращайте якорь. Контактные поверхности щеток сотрутся до нужной величины, после чего щетки будут правильно прилегать к коллектору.
2. Сожмите пружины щеток и установите их в щеткодержатель.

3. Установите защитную платину щеткодержателя и заднюю крышку.
Mitsuba (0,8 кВт):
1. Установите щетки в щеткодержатель и установите якорь (В) в щеткодержатель (А).
Примечание: при установке новых щеток проделайте следующее. Оберните коллектор якоря наждачной бумагой №500-600, зернами наружу, и плавно повращайте якорь. Контактные поверхности щеток сотрутся.до нужной величины, после чего щетки будут правильно прилегать к коллектору.

2. Сожмите пружины щеток (С) и вставьте их в щеткодержатель, как показано на рисунке выше. Надавите на них сверху, чтобы они встали в нужное положение.
3. Установите якорь и щеткодержатель в сборе в корпус стартера.
Проверка
Проверка якоря
1. Проверьте коллектор на обрыв цепи. Используя омметр, проверьте наличие проводимости между ламелями коллектора.

Если проводимости нет, то замените якорь.
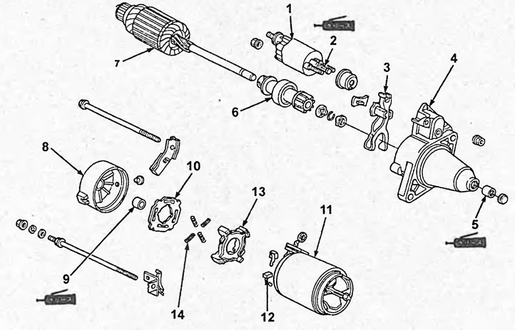
Разборка и сборка стартера (D17A, К20А (Denso (1,0 кВт))). 1, 2 - гайки, 3 - тяговое реле в сборе, 4, 12, 13 - смазать (смазка дисульфид молибдена), 5 - возвратный рычаг, 6 - корпус приводного механизма, 7 - шайба, 8 - обгонная муфта, 9 - щетка, 10 - корпус стартера, 11 - якорь, 14 - щеткодержатель, 15 - задняя крышка, 16, 17 - винты, 18 - стяжные болты.
2. Проверьте замыкание обмотки якоря на массу. Используя омметр, проверьте отсутствие проводимости между коллектором и сердечником обмотки якоря.

Если проводимость есть, то замените якорь.
Проверка коллектора
1. Осмотрите рабочие поверхности ламелей коллектора, при их загрязнении и пригорании зачистите рабочие поверхности наждачной бумагой №500-600 или проточите коллектор на токарном станке.
2. Установите якорь на призмы и измерьте биение коллектора.
Номинальное биение:
- "Denso" (0,8 кВт) — 0,05 мм
- остальные — 0,02 мм
Максимальное биение:
- "Denso" (0,8 кВт) — 0,4 мм
- остальные — 0,05 мм

Если биение превышает указанное значение, то проточите коллектор на токарном станке.
3. При помощи штангенциркуля измерьте диаметр коллектора.

Номинальный диаметр — 28,0 мм
Минимальный диаметр:
- Denso — 27,0 мм
- Mitsuba — 27,5 мм
Если диаметр коллектора меньше минимального значения, то замените якорь стартера.
4. Проверьте, что канавки коллектора не загрязнены посторонними частицами.
Номинальная величина:
- стартеры "Denso" — 0,45-0,75 мм
- стартеры "Mitsuba" — 0,4-0,5 мм
Минимальная величина:
- стартеры "Denso" — 0,2 мм
- стартеры "Mitsuba" — 0,15 мм

Проверка статора
Denso — 1,0 кВт
1. Проверьте наличие проводимости между щетками (А).
2. Проверьте сопротивление между каждой щеткой и корпусом стартера (В).
Сопротивление — не менее 0,01 МОм
Denso, 0,8 кВт
1. Проверьте наличие проводимости между положительными щетками "+" и выводом "М".
2. Проверьте наличие проводимости между отрицательными щетками и корпусом стартера (В).
3. Проверьте отсутствие проводимости между отрицательными щетками и положительными щетками
4. Проверьте сопротивление между каждой положительной "+" щеткой и корпусом стартера (В).
Сопротивление — не менее 0,01 МОм

Проверка щеток
При помощи штангенциркуля измерьте длину щеток.
Номинальная длина:
- "Denso" (1,0 кВт) — 14,0-14,5 мм
- "Denso" (0,8 кВт) — 9,7-10,3 мм
- "Mitsuba" (1,0 кВт) — 15,8-16,2 мм
- "Mitsuba" (0,8 кВт) — 11,1-11,5 мм
Минимальная длина:
- "Denso" — (1,0 кВт) 9,0 мм
- "Denso" (0,8 кВт) — 6,0 мм
- "Mitsuba" (1,0 кВт) — 11,0 мм
- "Mitsuba" (0,8 кВт) — 4,3 мм

Если высота щетки меньше минимально допустимой величины, то замените щетки и обмотку статора.
Проверка пружин щеток
При помощи безмена измерьте натяжение пружин щеток в момент их отрыва от щетки.
Номинальное усилие:
- "Denso" (1.0 кВт) — 13,7-17,7 Н
- "Mitsuba" (1,0 кВт) — 15,7-17,7 Н

Если усилие пружин не соответствует указанному диапазону, то замените пружины щеток.
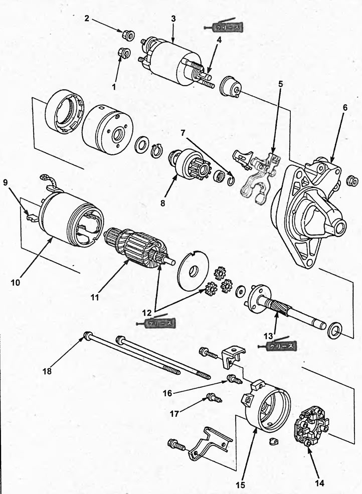
Разборка и сборка стартера (D15B, модели седан с АКПП (Mitsuba (0,8 кВт))). 1 - якорь, 2 - корпус стартера, 3 - защитная пластина, 4 - планетарные шестерни, 5 - обгонная муфта, 6 - вал муфты, 7 - пружины щеток, 8 - щеткодержатель, 9 - упорная шайба, 10 - защитная крышка, 11 - корпус возвратного плунжера, 12 - возвратный плунжер, 13 - крышка.
Разборка и сборка стартера (D15B, модели 4WD с МКПП (Mitsuba (1,0 кВт))). 1 - гайка, 2 - тяговое реле, 3, 7 - нанести смазку (смазка дисульфид молибдена), 4 - электромагнитный возвратный рычаг, 5 - корпус приводного механизма, 6 - обгонная муфта в сборе, 8 - крышка приводного механизма, 9 - защитная пластина, 10 - щеткодержатель, 11 - щетки, 12 - корпус стартера, 13 - якорь.
Разборка и сборка стартера (D15B, D17A остальные (Denso (0,8 кВт))). 1 - тяговое реле, 2 - смазать (смазка дисульфид молибдена), 3 - возвратный рычаг, 4 - корпус приводного механизма, 5 - передний подшипник (смазка дисульфид молибдена), 6 - обгонная муфта, 7 - якорь, 8 - задняя крышка, 9 - задний подшипник (смазка дисульфид молибдена), 10 - защитная пластина, 11 - корпус стартера, 12 - щетки, 13 - щеткодержатель, 14 - пружины щеток.
Проверка щеткодержателя (кроме Denso (0,8 кВт))
Убедитесь в отсутствии проводимости между положительным "+" (А) и отрицательным (В) щеткодержателями. В противном случае замените щеткодержатель.
Denso (1,0 кВт).
Mitsuba (1,0 кВт).
Mitsuba (0,8 кВт).
Проверка шестерен
Осмотрите рабочие поверхности зубьев планетарных шестерен (А) и ведомой шестерни (В) обгонной муфты на предмет наличия повышенного износа или сколов.

При наличии износа или повреждений замените шестерни или весь узел обгонной муфты.
Проверка обгонной муфты Mitsuba (0,8 кВт)
Проверьте обгонную муфту.
- Удерживая планетарные шестерни (А), поверните вал обгонной муфты по часовой стрелке. Убедитесь, что планетарные шестерни начинают плавно вращаться против часовой стрелки.
- Удерживая планетарные шестерни, поверните вал обгонной муфты против часовой стрелки и убедитесь, что вал вращается плавно.

Если условия не выполняются, то замените обгонную муфту.
Остальные
1. Повращайте обгонную муфту (А), удерживая вал неподвижным. Убедитесь, что муфта вращается плавно.
2. Повращайте обгонную муфту (А) в обоих направлениях. Убедитесь, что муфта вращается в одном направлении и не вращается в другом.
3. Проверьте шестерню обгонной муфты на отсутствие сколов и поломок. При необходимости замените обгонную муфту.
Denso (1,0 кВт).
Denso (0,8 кВт).
Mitsuba (1,0 кВт).
Если условия не выполняются, то замените обгонную муфту.
Проверка тягового реле (кроме Mitsuba (0,8 кВт))
1. Проверка втягивающей обмотки тягового реле.
Убедитесь в наличии проводимости между выводами стартера "В", "S", "М" и корпусом тягового реле, как показано на рисунке ниже. В противном случае замените тяговое реле.
2. Проверка удерживающей обмотки. Убедитесь в наличии проводимости между выводами стартера "M", "S" и корпусом. В противном случае замените тяговое реле.

(Полный текст доступен на портале: www.HondaBook.ru)
