Проверка осевого зазора в подшипнике ступицы
1. Поддомкратьте переднюю часть автомобиля и установите ее на подставки.
2. Для удержания тормозного барабана заверните гайки установленным моментом.
Момент затяжки — 108 Н·м
3. Установите стрелочный индикатор на ступицу колеса, как показано на рисунке.

4. Толкая и дергая ступицу колеса руками в осевом направлении, измерьте величину осевого зазора в подшипнике колеса.
Зазор в подшипнике — 0-0,05 мм

Если осевой зазор колеса превышает установленную норму, сначала затяните гайку ступицы установленным моментом затяжки и только после этого, если необходимо, замените подшипник.
Снятие и установка
1. Поддомкратьте заднюю часть автомобиля и установите ее на подставки.
2. Отверните гайки и снимите колесо.

3. Снимите колпачок (А).

4. Расконтрите ободок (С) гайки (В) и отверните гайку.
Момент затяжки — 185 Н·м
5. Заверните два подходящих болта, как показано на рисунке, чтобы снять тормозной барабан.

6. Снимите тормозной барабан (В) и ступицу (А).

7. Отсоедините тормозную трубку (А) от рабочего тормозного цилиндра (В), отверните болты и снимите тормозной механизм (С).

8. Отверните болты и снимите кронштейн (А) тормозной трубки и датчик (В) частоты вращения колеса.
Снятие и установка ступицы заднего колеса (модели 2WD с задними барабанными тормозами). 1 - цапфа, 2 - тормозной барабан, 3 - гайка, 4 - колпачок, 5 - ступица, 6 - тормозной механизм.
Примечание: не отсоединяйте разъем датчика частоты вращения.

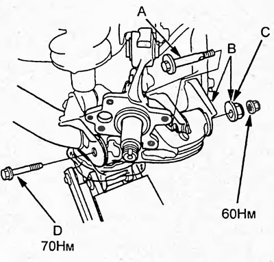
9. Поддомкратьте продольный рычаг (С), как показано на рисунке.

10. Отверните болт и отсоедините верхний поперечный рычаг (А) от цапфы (В).
11. Нанесите метки (В) на регулировочный болт (А) и кулачок (С), затем отверните гайку.
Момент затяжки — 60 Н·м

12. Отверните болт (D) и снимите цапфу.
Момент затяжки — 69 Н·м
Примечание:
- Установка производится в порядке, обратном снятию.
- При установке:
- совместите метки на регулировочном болте и кулачке;
- используйте новые гайки и колпачок;
- законтрите гайку крепления ступицы;
- проверьте и, при необходимости, отрегулируйте углы установки задних колес;
- проверьте и, при необходимости, отрегулируйте ход рычага стояночного тормоза.
(Источник статьи на веб-сайте «HONDABOOK.ru»)
