Снятие
1. Поддомкратьте переднюю часть автомобиля.
2. Снимите передние колеса.
3. Снимите шплинт и отверните гайку крепления наконечника рулевой тяги. Используя спецприспособление, отсоедините наконечник рулевой тяги от поворотного кулака.

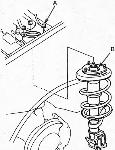
4. Отверните болты и снимите кронштейн (В) проводов датчика частоты вращения колеса и кронштейн (А) тормозного шланга с амортизатора.

5. Отверните болты и гайки крепления нижней части стойки.

6. Отверните гайки (А) крепления верхней части стойки и снимите стойку (В).

Разборка
Внимание: снятие гайки штока амортизатора очень опасно. Амортизатор и пружина подвески при демонтаже могут вылететь под воздействием большой силы и нанести работнику серьезные увечья, вплоть до смертельного исхода. Прежде чем откручивать гайку, закрепите стойку подвески в спецприспособлении.
1. Установите стойку (D) передней подвески в спецприспособление (Е) и сожмите пружину.
Внимание: не сжимайте пружину больше, чем необходимо для отворачивания гайки штока.

Снятие и установка стойки передней подвески. 1 - пружина, 2 - резиновая прокладка верхнего седла пружины, 3 - верхнее седло пружины, 4 - гайка, 5 - верхняя опора стойки, 6 - подшипник, 7 - ограничитель хода подвески, 8 - амортизатор.
2. Удерживая шток (А) амортизатора шестигранным ключом (В), отверните гайку (С) штока амортизатора.
3. Разберите стойку передней подвески.
Проверка амортизатора
1. Снимите передний амортизатор с автомобиля.
2. Проверьте амортизатор на отсутствие повреждений и утечек.
3. Проверьте резиновую втулку на повреждение и износ.
4. Сожмите и растяните амортизатор не менее трёх раз. Убедитесь, что сопротивление движению не изменяется и отсутствуют посторонние звуки:
а) Сожмите амортизатор и отпустите его.

б) Убедитесь, что шток выходит полностью с обычной скоростью.
Если необходимо, замените амортизатор.
Сборка
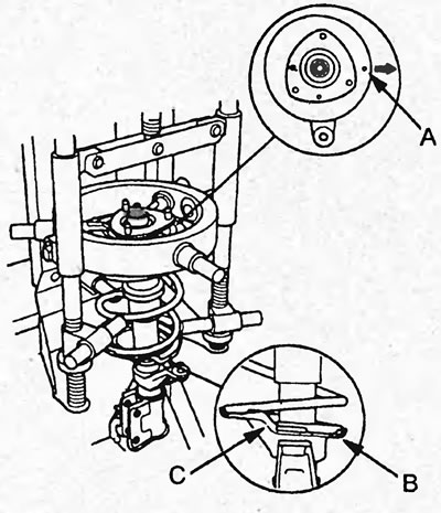
1. Соберите стойку передней подвески. При сборке установите нижний конец (В) пружины в углубление (С) нижнего седла, как показано на рисунке.

2. Сожмите пружину и заверните гайку (В) штока амортизатора, удерживая шток шестигранным ключом (А).
Момент затяжки — 44 Н·м

3. Снимите стойку со спецприспособления.
Установка
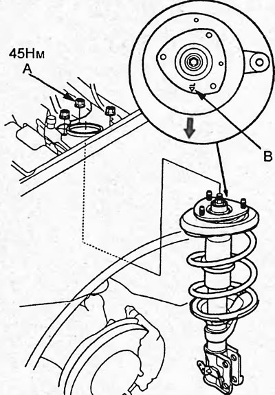
1. Руководствуясь рисунками, установите стойку передней подвески в соответствии с метками ("R" - правая сторона, "L" - левая сторона) так, чтобы стрелка (В) была направлена в сторону крыла, и заверните гайки (А).
Момент затяжки — 44 Н·м

2. Совместите отверстия в стойке и поворотном кулаке, установите болты и заверните гайки (А).
Момент затяжки — 103 Н·м

3. Установите кронштейн (В) проводов датчика частоты вращения колеса и кронштейн (А) тормозного шланга с амортизатора и заверните болты.

4. Подсоедините наконечник рулевой тяги к поворотному кулаку, заверните гайку и установите шплинт, как показано на рисунке.
Момент затяжки — 43 Н·м

5. Установите колеса и снимите автомобиль с подставок.
6. Проверьте и, при необходимости, отрегулируйте углы установки передних колес.
