Регулировка (седан)
1. Установите селектор в положение "N".
2. Снимите центральную консоль (см. главу "Кузов").
3. Отверните гайку и отсоедините трос управления коробкой передач.

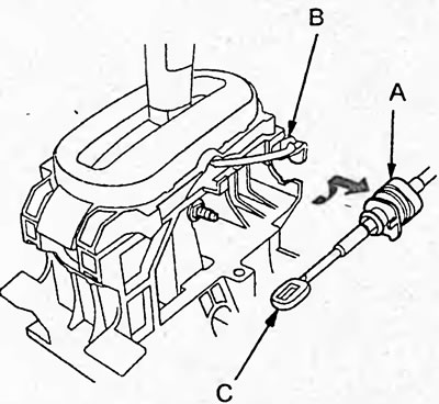
4. Поверните выступающую часть держателя (А) на 90°, как показано на рисунке, и извлеките трос (С) из кронштейна (В).
Примечание: при снятии троса не снимайте направляющую втулку.

5. Установите трос селектора в положение "N", как показано на рисунке.

6. Включите зажигание и убедитесь, что на комбинации приборов горит индикатор "N".
7. Выключите зажигание.
8. Установите штифт (А) диаметром 6 мм в отверстия (В) селектора, как показано на рисунке, чтобы зафиксировать положение селектора.

9. Установите трос в кронштейн (С) и поверните выступающую часть (А) держателя троса (А) на 90°, как показано на рисунке. При установке троса, установите конец троса (D) на вал (Е) так, чтобы отверстие троса совпало с квадратной поверхностью вала.

10. Убедитесь, что трос установлен надежно.
11. Заверните гайку крепления троса управления АКПП.
12. Извлеките штифт.
13. Переведите селектор в каждое положение и убедитесь, что показания индикатора положения селектора соответствуют положению селектора.
14. Запустите двигатель и, переводя селектор в каждое положение, убедитесь в правильности регулировки троса управления коробкой передач.
15. Установите центральную консоль (см. главу "Кузов").
Регулировка (хэтчбек)
1. Снимите пепельницу и центральную консоль (см. главу "Кузов").
2. Снимите отделку селектора (см. главу "Кузов").
3. Переведите селектор в положение "R".
4. Сдвиньте регулировочную крышку (А) наконечника троса (D), как показано на рисунке. При помощи пассатижей извлеките фиксатор (В) троса.

5. Переведите селектор в положение "N" и извлеките трос (С) из наконечника (D) троса.
6. Поверните выступающую часть (С) держателя (А) на 90°, как показано на рисунке, и извлеките трос из кронштейна (D).
Примечание: при снятии троса не снимайте направляющую втулку (В).

7. Установите трос в положение "R", руководствуясь рисунком.

8. Включите зажигание и убедитесь, что горит индикатор положения селектора "R".
9. Выключите зажигание.
10. Установите селектор в положение "N".
11. Установите конец троса (А) в наконечник (В) троса

12. Установите штифт (А) диаметром 6 мм в отверстие селектора, как показано на рисунке, чтобы зафиксировать положение селектора.

13. Установите новый фиксатор (А) и сдвиньте регулировочную крышку (В), как показано на рисунке.

14. Снимите штифт, установленный для фиксации положения селектора.
15. Переведите селектор в каждое положение и убедитесь, что показания индикатора положения селектора соответствуют положению селектора.
16. Запустите двигатель и, переводя селектор в каждое положение, убедитесь в правильности регулировки троса управления коробкой передач.
17. Установите отделку селектора (см. главу "Кузов").
18. Установите центральную консоль и пепельницу (см. главу "Кузов").
Замена (седан)
1. Установите селектор в положение "N".
2. Снимите центральную консоль (см. главу "Кузов").
3. Отверните гайку и отсоедините трос (А) управления коробкой передач.

4. Поверните выступающую часть держателя (А) на 90°, как показано на рисунке, и извлеките трос (С) из кронштейна (В).

5. (Модели 2WD) Отверните гайку, снимите кронштейн (А) и уплотнение (В).

6. (Модели 4WD) Отверните болт и гайку, снимите кронштейн (А) и уплотнение (В).

7. Снимите трос управления коробкой передач.
(Модели 2WD)
а) Снимите защитный кожух (А) троса управления коробкой передач и отверните болты крепления кронштейна (В) троса.
б) Отсоедините рычаг (D) троса от вала (С) управления коробкой передач и снимите трос (Е).

(Модели 4WD)
а) Снимите защитный кожух (А) троса управления коробкой передач и отверните болты крепления кронштейна (В) троса.
б) Снимите шплинт (С) и извлеките штифт (D). Отсоедините трос (F) от рычага (Е) управления коробкой передач и снимите трос.

8. Замените трос управления коробкой передач на новый и установите его.
Примечание: не изгибайте трос управления коробкой передач сильно.
9. Подсоедините трос управления коробкой передач к коробке передач.
(Модели 2WD)
а) Подсоедините рычаг троса управления коробкой передач к валу.
б) Установите кронштейн троса и защитный кожух.
(Модели 4WD)
а) Подсоедините трос управления коробкой передач к рычагу управления коробкой передач. Установите штифт и шплинт.
б) Установите кронштейн троса и защитный кожух.
10. Установите уплотнение и кронштейн троса.
11. Включите зажигание и убедитесь, что горит индикатор положения селектора "N".
При необходимости произведите регулировку троса.
Замена (хэтчбек)
1. Поддомкратьте автомобиль и установите его на подставки.
2. Снимите пепельницу и центральную консоль (см. главу "Кузов").
3. Снимите отделку селектора (см. главу "Кузов").
4. Переведите селектор в положение "R".
5. Сдвиньте регулировочную крышку (А) наконечника троса (D), как показано на рисунке. При помощи пассатижей извлеките фиксатор (В) троса.

6. Переведите селектор в положение "N" и извлеките трос (С) из наконечника (D)троса.
7. Поверните выступающую часть (С) держателя (А) на 90°, как показано на рисунке, и извлеките трос из кронштейна (D).
Примечание: при снятии троса не снимайте направляющую втулку (В).

8. (Модели 2WD) Отверните гайку, снимите кронштейн (А) и уплотнение (В).

9. (Модели 4WD) Отверните болт и гайку, снимите кронштейн (А) и уплотнение (В).

10. Снимите трос управления коробкой передач.
(Модели 2WD)
а) Снимите защитный кожух (А) троса управления коробкой передач и отверните болты крепления кронштейна (В)троса.
б) Отсоедините рычаг (D) троса от вала (С) управления коробкой передач и снимите трос (Е).

(Модели 4WD)
а) Снимите защитный кожух (А) троса управления коробкой передач и отверните болты (В) крепления кронштейна троса.
б) Снимите шплинт (С) и извлеките штифт (D). Отсоедините трос (F) от рычага (Е) управления коробкой передач и снимите трос.

11. Замените трос управления коробкой передач на новый и установите его. Примечание: не изгибайте трос управления коробкой передач сильно.
12. Подсоедините трос управления коробкой передач к коробке передач.
(Модели 2WD)
а) Подсоедините рычаг троса управления коробкой передач к валу.
б) Установите кронштейн троса и защитный кожух.
(Модели 4WD)
а) Подсоедините трос управления коробкой передач к рычагу управления коробкой передач. Установите штифт и шплинт.
б) Установите кронштейн троса и защитный кожух.
13. Установите уплотнение и кронштейн троса.
14. Включите зажигание и убедитесь, что горит индикатор положения селектора "R".
При необходимости произведите регулировку троса.
