Оглавление: Система VTC ⇊ Система VTEC ⇊ Схема системы ⇊ Датчик угла поворота распредвала…⇊ Регулирование подачи воздуха на…⇊ Система подачи топлива ⇊ Регулятор отсечки топлива ⇊ Регулятор топливного насоса ⇊ Главное реле PGM-FI 1 И 2 ⇊ Выключатель давления масла в насосе…⇊ Клапан-регулятор подачи воздуха на…⇊ Выключатель положения педали тормоза ⇊ Система подачи воздуха ⇊ Корпус дроссельной заслонки ⇊ Перепускной термоклапан подачи…⇊ Система каталитического…⇊ Система принудительной вентиляции…⇊ Система улавливания паров топлива…⇊ Схема системы регулирования подачи…⇊ Схема системы подачи воздуха ⇊ Система регулятора впускного…⇊ Схема улавливания паров топлива…⇊
- В дополнение к стандартным возможностям обычной VTEC у системы i-VTEC на распредвалу впускных клапанов устанавливается механизм VTC (регулирования фаз газораспределения), Этот механизм увеличивает экономию топлива и снижает токсичность выхлопа во всех диапазонах частоты вращения двигателя, скорости автомобиля и нагрузки двигателя.
- Механизм VTEC изменяет высоту подъема клапанов и регулирование фаз за счет использования кулачков неодинакового профиля.
- Механизм VTC изменяет фазы газораспределения на распредвалу впускных клапанов посредством масляного давления. Регулирование фаз газораспределения впускных клапанов осуществляется непрерывно.

Система VTC
- Система VTC непрерывно вносит изменения в фазы газораспределения впускных клапанов, исходя из режима работы двигателя.
- Регулирование фаз газораспределения впускных клапанов выполняется так, чтобы двигатель мог развить максимальную мощность.
- Происходит опережение угла распределительного кулачка для достижения рециркуляции выхлопных газов и уменьшения насосных потерь. Впускной клапан быстро закрывается, что способствует уменьшению подачи топливно-воздушной смеси во впускной канал и повышению наполняемости.
- Уменьшается опережение угла кулачка на оборотах х.х., стабилизируется сгорание и снижаются обороты двигателя.
- При возникновении сбоя система VTC отключается и регулирование фаз газораспределения переключается в положение с полным запаздыванием.

Система VTEC
- Система VTEC изменяет профиль кулачков в зависимости от оборотов двигателя. Она увеличивает крутящий момент на низких оборотах двигателя и мощность на высоких оборотах двигателя.
- На низких оборотах двигателя используется кулачок с малой высотой подъема, на высоких оборотах двигателя - кулачок с большой высотой подъема.

| Режим вождения | Регулирование VTC | Описание |
| 1. Небольшая нагрузка | Базовое положение | Происходит запаздывание угла распределительного кулачка, подача выхлопных газов во впускной канал уменьшается и достигается устойчивый расход топлива при сжигании обедненной смеси. |
| 2. Средняя/высокая нагрузка | Регулирование опережения | Происходит опережение угла распределительного кулачка для рециркуляции выхлопных газов и уменьшения насосных потерь. Впускной клапан быстро закрывается, что способствует уменьшению подачи топливно-воздушной смеси во впускной канал и повышению наполняемости. |
| 3. Высокие обороты | Опережение-базовое положение | Выполняется регулирование угла фазы кулачка для достижения оптимального газораспределения и максимальной мощности двигателя. |
Схема системы

Датчик угла поворота распредвала (CMP)
Датчик СМР обнаруживает угловое положение распредвала для системы VTC.

Регулирование подачи воздуха на оборотах х.х.
Когда двигатель холодный, компрессор кондиционера включен, коробка стоит на передаче, педаль тормоза нажата, нагрузка на гидроусилитель высокая или идет зарядка от генератора, блок ЕСМ/РСМ регулирует подачу тока на клапан IAC для поддержания надлежащей частоты оборотов х.х. См. функциональное расположение системы на схеме системы.
Система подачи топлива
Регулятор отсечки топлива
При замедлении с закрытой дроссельной заслонкой выполняется отсечка тока от топливных форсунок для снижения расхода топлива на частоте оборотов выше 850 об/мин (на моделях КХ КН, РН, КР, IN: 900 об/мин). Отсечка топлива также происходит и на частоте оборотов двигателя свыше 6900 об/мин (двигатель К24А1: 6700 об/мин) независимо от положения дроссельной заслонки для предотвращения работы двигателя на предельных оборотах. При остановке автомобиля блок ЕСМ/РСМ отсекает подачу топлива на частоте оборотов двигателя выше 6500 об/мин (АКП: 5000 об/мин).
Регулятор топливного насоса
При включении зажигания блок ЕСМ/РСМ заземляет главное реле PGM-FI, которое в течение 2 секунд подает ток на топливный насос для создания давления в топливной системе. Во время работы двигателя блок ЕСМ/РСМ заземляет главное реле PGM-FI и подает ток на топливный насос. Когда двигатель не работает, но зажигание включено, блок ЕСМ/РСМ прерывает заземление на главное реле PGM-FI, которое отсекает ток от топливного насоса.
Главное реле PGM-FI 1 И 2
Реле PGM-FI состоит из двух отдельных реле. Главное реле PGM-FI 1 включается при повороте ключа зажигания в положение ON (II) и подает напряжение аккумулятора на блок ЕСМ/РСМ, питание на топливные форсунки и главное реле PGM-FI 2. Главное реле PGM-FI 2 включается на две секунды при повороте ключа зажигания в положение ON (II) и во время работы двигателя и подает питание на топливный насос.
Выключатель давления масла в насосе гидроусилителя рулевого управления (PSP)
Выключатель PSP подает сигнал а блок ЕСМ/РСМ при увеличении нагрузки на гидроусилитель рулевого управления.
Клапан-регулятор подачи воздуха на оборотах холостого хода (IAC)
Для поддержания надлежащей частоты оборотов х.х. клапан IАС изменяет подачу воздуха в обход корпуса дроссельной заслонки в ответ на электрический сигнал из блока ЕСМ/РСМ.

Выключатель положения педали тормоза
Выключатель положения педали тормоза подает сигнал в блок ЕСМ/РСМ при нажатии на педаль тормоза.
Система подачи воздуха
См. функциональное расположение системы на схеме системы.
Корпус дроссельной заслонки
Корпус дроссельной заслонки представляет собой однокамерную конструкцию с боковой тягой. Низ клапана IAC обогревается охлаждающей жидкостью двигателя от головки цилиндров.

Перепускной термоклапан подачи воздуха
Во время работы двигателя перепускной термоклапан подает воздух к топливным форсункам.

Система каталитического нейтрализатора
Трехкомпонентный каталитический нейтрализатор (TWC)
Нейтрализатор TWC служит для преобразования углеводородов (НС), окиси углерода (СО) и окислов азота (NOx), содержащихся в выхлопных газах, в углекислый газ (CO₂), азот (N₂) и водяной пар.
Модели KG, KS, KE, KR, KU, KZ, ГО, KQ

Модели KN, КМ, KY, МА, PH, IN, KK

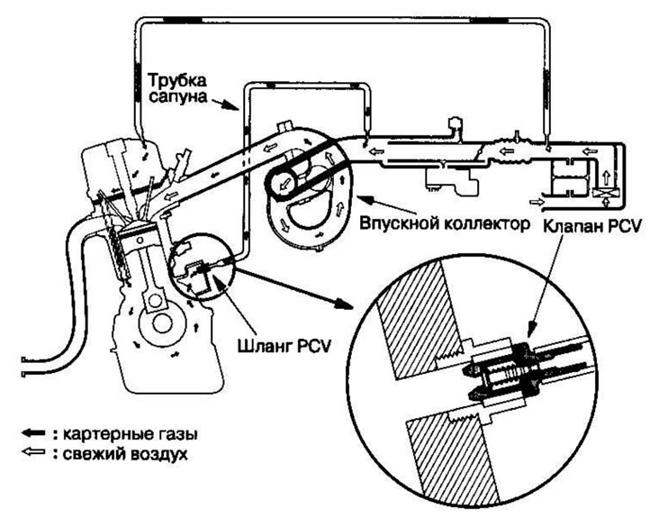
Система принудительной вентиляции картера (PCV)
Клапан PCV предотвращает попадание картерных газов в атмосферу путем их отвода во впускной коллектор.

Система улавливания паров топлива (EVAP)*
См. функциональное расположение системы на схеме системы.
Угольный фильтр улавливания паров топлива (EVAP)
Угольный фильтр EVAP применяется для временного хранения паров топлива, выходящих из топливного бака, до того момента, когда их можно будет продуть из фильтра в двигатель и сжечь.
Клапан продувки угольного фильтра EVAP
Когда температура охлаждающей жидкости двигателя ниже 65°C, блок ЕСМ/РСМ отключает клапан продувки угольного фильтра EVAP, который отсекает вакуум от угольного фильтра EVAR
Схема системы регулирования подачи воздуха на оборотах х.х.
Частота оборотов двигателя на холостом ходу регулируется клапаном IAC:
- После запуска двигателя на некоторое время открывается клапан IAC. Расход воздуха увеличивается, повышая обороты х.х.
- Когда температура охлаждающей жидкости двигателя низкая, открытием клапана IAC достигаются требуемая частота оборотов быстрого х.х. Таким образом, расход подаваемого в обход дроссельной заслонки воздуха регулируется пропорционально температуре охлаждающей жидкости двигателя.

Схема системы подачи воздуха
Система обеспечивает подачу воздуха для всех режимов работы двигателя. Встроенный в воздухозаборную трубу резонатор обеспечивает дополнительную шумоизоляцию при всасывании воздуха в систему.

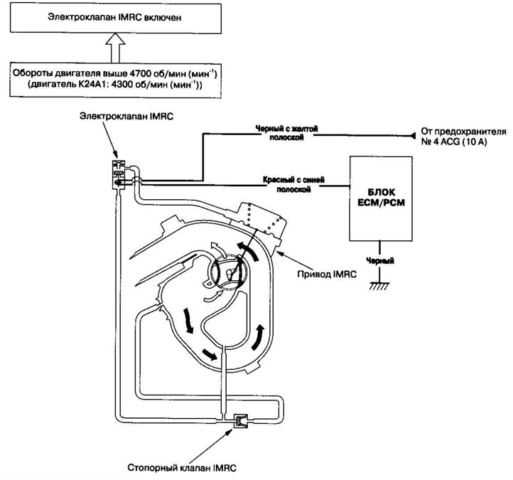
Система регулятора впускного коллектора (IMRC)
Удовлетворительные мощностные характеристики достигаются путем открытия и закрытия клапана регулятора впускного коллектора (IMRC). Высокий крутящий момент при низких оборотах двигателя достигается при закрытом клапане, тогда как высокая мощность - при открытом.

Схема улавливания паров топлива (EVAP)
Система EVAP служит для уменьшения выброса паров топлива в атмосферу. Пары топлива, выходящие из топливного бака, временно хранятся в угольном фильтре EVAP до того момента, когда их можно будет продуть из фильтра в двигатель и сжечь.
- Продувка угольного фильтра EVAP выполняется путем всасывания через него свежего воздуха и далее в канал во впускном коллекторе.
- Вакуум продувки регулируется клапаном продувки угольного фильтра EVAP, который открывается при достижении охлаждающей жидкостью двигателя температуры выше 65°C.
- Когда давление паров топлива в топливном баке выше, чем установленная величина на клапане EVAP, клапан открывается и регулирует поступление паров топлива к фильтру EVAP.

