Оглавление: Снятие и установка (модели 2WD) ⇊ Снятие и установка (модели 4WD) ⇊ Датчик уровня топлива ⇊
Снятие и установка (модели 2WD)
Внимание: ремонт топливного бака, который не был качественно очищен паром, может быть опасным. Взрыв или возгорание бака могут привести к серьёзным увечьям или смерти.
1. Отсоедините провод от отрицательной клеммы аккумуляторной батареи.
2. Отверните и заверните крышку топливозаливной горловины.
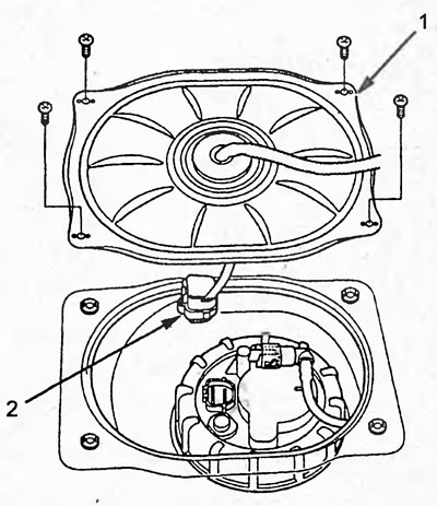
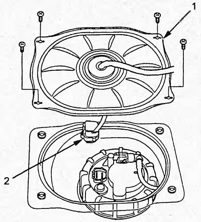
3. Отверните 4 винта и снимите сервисную крышку (1). Отсоедините разъём топливного насоса (2).

4. Отсоедините быстроразъёмное соединение топливных трубок.
Снятие и установка топливного бака (модели 2WD). 1 - крышка топливозаливной горловины, 2 - трубка, 3 - воздушный шланг, 4 - топливозаливной шланг, 5 - топливный бак, 6 - кожух топливозаливной трубки.
Снятие и установка топливного бака (модели 4WD). 1 - жгут проводов, 2 - крышка топливозаливной горловины, 3 - сервисная крышка, 4 - разъём, 5 - основной топливный насос, 6 - дополнительный топливный насос, 7 - топливный бак, 8 - воздушный шланг, 9 - топливозаливной шланг, 10 - трубка.
5. С помощью спецприспособления отверните гайку (В) топливного насоса (А).
Момент затяжки — 93 Н·м

6. Снимите топливный насос.
7. Поднимите автомобиль.
8. Снимите кожух топливозаливной трубки.
9. Отсоедините шланги от топливного бака.
10. Установите поддерживающее устройство под топливным баком.
11. Отверните болты крепления бака.
Момент затяжки — 38 Н·м
12. Снимите топливный бак.
13. При сборке детали устанавливаются в обратной последовательности.
Снятие и установка (модели 4WD)
Внимание: ремонт топливного бака, который не был качественно очищен паром, может быть опасным. Взрыв или возгорание бака могут привести к серьёзным увечьям или смерти.
1. Отсоедините провод от отрицательной клеммы аккумуляторной батареи.
2. Отверните крышку топливозаливной горловины.
3 Поднимите автомобиль.
4. Отсоедините шланги от топливного бака.
5. Снимите заднее сиденье.
6. Снимите сервисные крышки.
7. Рассоедините быстроразъёмное соединение.
8. Разъедините разъёмы основного и дополнительного топливного насоса.
9. Снимите карданный вал.
10. Отсоедините жгут проводов.
11. Установите болт (I) опоры заднего редуктора, как показано на рисунке.
12. Ослабьте болты крепления.
13. Установите поддерживающее устройство под топливным баком.
14. Отверните болты крепления бака.
Момент затяжки — 38 Н·м
15. Снимите топливный бак.
16. При сборке детали устанавливаются в обратной последовательности.
Датчик уровня топлива
1. Проведите процедуры, указанные в разделе "Перед проведением ремонтных работ".
2. Отверните и заверните крышку топливозаливной горловины.
3. Отверните 4 винта и снимите сервисную крышку (1). Отсоедините разъём топливного насоса (2).

4. Проверьте предохранитель №10 (7,5 А).
5. Установите замок зажигания в положение "ON".
6. Измерьте напряжение между выводами разъёма жгута топливного насоса.

7. Установите замок зажигания в положение "OFF".
8. Снимите топливный насос.
9. (Модели 4WD) Снимите дополнительный топливный насос.
10. Измерьте сопротивление, медленно перемещая поплавок из положения "EMPTY" в положение "FULL".
Модели 2WD.
| Уровень топлива | Сопротивление, Ом |
| Full (полный) | 11 -13 |
| 1/2 | 68,5 - 74,5 |
| Индикатор низкого уровня топлива | 113,4-128 |
| Empty (пустой) | 130-132 |

Схема установки топливных шлангов. 1 - к электропневмоклапану системы улавливания паров топлива, 2 - к демпферу пульсаций давления топлива, 3 - топливный насос, 4 - уплотнительное кольцо, 5 - дополнительный топливный насос.
Модели 4WD основной топливный насос.
| Уровень топлива | Сопротивление, Ом |
| Full (полный) | 6,3-6,5 |
| 1/2 | 12-18 |
| Индикатор низкого уровня топлива | 58 - 69,2 |
| Empty (пустой) | 74,5 - 76,5 |

Модели 4WD дополнительный топливный насос.
| Уровень топлива | Сопротивление, Ом |
| Full (полный) | 4,5-6,5 |
| Empty (пустой) | 55,5 - 57,5 |

Если сопротивление не соответствует описанию, замените датчик уровня топлива или дополнительный датчик уровня топлива.
Информация получена из этого источника hondabook.ru
