
2. Подкатите двигатель под автомобиль. Закрепите цепную лебедку на двигателе, затем поднимите двигатель так, чтобы он встал в требуемое положение в автомобиле.
Примечание. Установка двигателя выполняется в порядке, обратном снятию. Затягивайте крепежные болты/гайки опор в указанной последовательности. Несоблюдение этой процедуры может привести к чрезмерному шуму и вибрации и уменьшить срок службы втулок.
3. Установите компрессор кондиционера (А) и подсоедините разъем (В) к муфте компрессора.

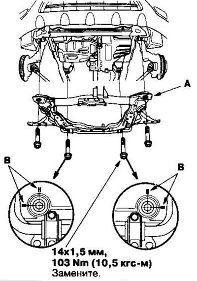
4. Установите подрамник (А). Совместите опорные линии (В) на подрамнике с центрами головок болтов, затем затяните болты.

5. Затяните крепежный болт передней опоры.

6. Затяните крепежные болты задней опоры.

7. Опустите лебедку.
8. Затяните крепежные болт и гайку верхнего кронштейна.

9. Затяните крепежные болты/гайки кронштейна опоры коробки передач.


10. Уберите цепную лебедку с двигателя.
11. Поднимите лебедку на всю высоту.
12. Поставьте новые стопорные кольца на концы приводных валов и установите приводные валы. Убедитесь, что кольца «защелкиваются» в требуемом положении в дифференциале и на промежуточном валу.
13. Подсоедините шаровые шарниры нижних рычагов подвески.
14. Подсоедините тяги стабилизатора.
15. Соедините карданный вал с раздаточной коробкой (модели 4WD).
16. Подсоедините трос переключения передач (АКП).
17. Установите нейтрализатор TWC (А) в сборе (двигатели К20А4, К24А1) или выхлопную камеру (А) (двигатели К20А5), поставив новые прокладки (В) и новые самоконтрящиеся гайки (С).

18. Подсоедините разъем (D) первичного подогреваемого датчика кислорода (первичного HO2S) (за исключением двигателя К20А5).
19. Подсоедините разъем (Е) вторичного подогреваемого датчика кислорода (вторичного HO2S) (модели KE, KG, KS, KR, KU, KZ, KQ, FO).
20. Подсоедините нижний шланг к радиатору.

21. Затяните крепежный болт (А) фильтра ATF и подсоедините шланги (В) к охладителю ATF (АКП).

22. Установите грязеотражатель.

23. Опустите лебедку.
24. Подсоедините верхний шланг (А) к радиатору и шланги (В) к отопителю.

25. Установите насос гидроусилителя руля (P/S).

26. Наденьте ремень привода насоса гидроусилителя руля (P/S).
27. Подсоедините трос дроссельной заслонки, затем отрегулируйте его.
28. Подсоедините трос круиз-контроля, затем отрегулируйте его.
29. Проденьте разъемы блока ЕСМ/РСМ через перегородку, затем поставьте резиновую втулку (А).
30. Поставьте хомуты (В) на жгут.
Модели с левым рулём

Модели с правым рулём

31. Подсоедините разъемы (А) к блоку ЕСМ/РСМ и разъем главного жгута электропроводки (В).
Модели с левым рулём

Модели с правым рулём

32. Подсоедините вакуумный шланг (А) к усилителю тормоза, а шланг (В) к угольному фильтру (EVAP).

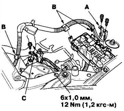
33, Подсоедините шланг подачи топлива.
34. Подсоедините трос переключения передач и трос селектора (М КП).
35. Установите рабочий цилиндр сцепления и кронштейн магистрали сцепления (МКП).
36. Подсоедините кабели аккумулятора (А) к коробке предохранителей/ реле под капотом, затем поставьте хомуты (В) на жгут.

37. Подсоедините кабель заземления (С).
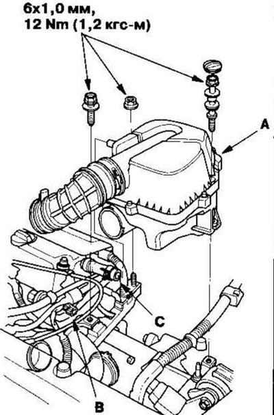
38. Установите воздухозаборник.

39. Установите корпус воздухоочистителя (А) и подсоедините разъем (В) к датчику температуры всасываемого воздуха (IAT).

40. Подсоедините шланг сапуна (С).
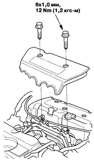
41. Установите крышку на впускной коллектор.

42. Установите аккумулятор. Зачистите полюсные клеммы и наконечники кабелей аккумулятора наждачной бумагой, затем соберите их и нанесите смазку во избежание коррозии.
43. Переместите рычаг селектора через все передачи и убедитесь, что индикатор диапазонов передач АКП следует за переключателем диапазонов коробки передач (АКП).
44. Убедитесь, что коробка передач переключается плавно (МКП),
45. Проведите проверку на утечку топлива. Поверните ключ зажигания в положение ON (II) (не включайте стартер) так, чтобы приблизительно на две секунды включился в работу топливный насос и в топливопроводе создалось давление. Повторите эту операцию два-три раза и проверьте, нет ли утечки топлива в какой-либо точке топливопровода.
46. Заправьте двигатель моторным маслом.
47. Заправьте коробку передач жидкостью:
- См. гл. «Механическая КП»
- См. гл. «Автоматическая КП»
48. Заправьте радиатор охлаждающей жидкостью двигателя и выполните прокачку системы охлаждения при открытом кранике отопителя.
49. Проверьте обороты х.х.
50. Проверьте угол опережения зажигания.
51. Проверьте углы установки колес.
[Публикация перепечатана с веб-сайта «HondaBook.ru»]
