Примечание. Не проливайте тормозную жидкость на автомобиль, т.к. она может испортить лакокрасочное покрытие; если жидкость все же пролилась, немедленно смойте ее водой.
1. Отпустите хомуты жгута электропроводки двигателя на растяжке (А) и снимите растяжку. На автомобилях с МКП: Снимите кронштейн бачка жидкости для сцепления с растяжки и сдвиньте в сторону. Не отсоединяйте шланг сцепления от бачка.

2. Снимите крышку с бачка и удалите тормозную жидкость из бачка главного цилиндра при помощи шприца.
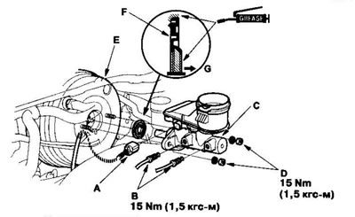
3. Отсоедините разъем (А) от датчика уровня тормозной жидкости.

4. Отсоедините тормозные трубки (В) от главного цилиндра (С). Чтобы не пролить жидкость, накрывайте стыки шлангов ветошью или салфетками
5. Открутите крепежные гайки (D) главного цилиндра и снимите шайбы.
6. Снимите главный цилиндр с усилителя тормоза (Е). Не погните и не повредите тормозные трубки при снятии главного цилиндра.
7. Снимите уплотнение штока (F) с главного цилиндра.
8. Открутите четыре крепежные гайки усилителя.
9. Установите главный цилиндр в порядке, обратном снятию с учетом следующего:
- В случае снятия заменяйте все резиновые детали новыми.
- Перед установкой главного цилиндра проверьте зазор нажимного штока и при необходимости отрегулируйте.
- При сборке поставьте новое уплотнение на шток.
- Нанесите на внутреннюю кромку и по внешней окружности нового уплотнения штока рекомендуемую смазку для сальников, входящую в комплект главного цилиндра.
- Запрессовывайте уплотнение штока в главный цилиндр канавкой в сторону главного цилиндра.
- После установки главного цилиндра проверьте высоту и свободный ход педали тормоза и при необходимости отрегулируйте.
(Оригинал материала на сайте www.hondabook.ru)
