
Примечание. Во избежание прихватывания тормозов на тормозные колодки ставятся пружины. Будьте осторожны, когда полностью откидываете суппорт вверх, т.к. пружина может вылететь.
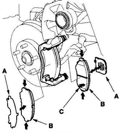
2. Слегка откиньте суппорт так, чтобы тормозные колодки не сместились и крепко возьмитесь за колодки пальцами с обеих сторон. Выньте пружины (А) из колодок.

3. Полностью откиньте суппорт вверх и снимите колодки (А).

4. Снимите прокладки (В) с колодок.
5. Проверьте шланг и пыльники пальцев на повреждение и износ.
6. Снимите держатели колодок (А).

7. Тщательно прочистите суппорт; удалите ржавчину и проверьте, нет ли канавок или трещин.
8. Проверьте, нет ли повреждений и трещин на тормозном диске.
9. Установите держатели колодок.
10. Нанесите смазку Dow Corning Molykote М77 с обратной стороны тормозных колодок (В) и на другие участки, указанные стрелками.

Оботрите излишек смазки с прокладок. Загрязненные тормозные диски и колодки увеличивают тормозной путь. Не допускайте попадания смазки на диски и колодки.
11. Правильно установите тормозные колодки и прокладки. Устанавливайте колодки индикаторами износа (С) вовнутрь.
В случае повторного использования колодок во избежание потери эффективности торможения всегда устанавливайте их в первоначальное положение.
12. Вдавите поршень (А) так, чтобы суппорт вошел поверх колодок. Проверьте уровень тормозной жидкости. Если бачок переполнен, тормозная жидкость может перелиться. Убедитесь, что пыльник поршня стоит на месте во избежание его повреждения при откидывании суппорта вниз.

13. Крепко возьмитесь за колодки пальцами с обеих сторон и вставьте новые пружины (А) в колодки. Придерживая колодки, медленно опустите суппорт поверх колодок.

Примечание. Надежно вставьте концы пружин в установочные отверстия в колодках.
14. Откиньте суппорт (А) вниз, не повредив при этом пыльник пальца (А) и убедившись, что пыльники пальцев не деформированы и стоят на месте.
15. Вставьте в суппорт направляющий палец (С) и затяните его с требуемым моментом.

16. Несколько раз нажмите на педаль тормоза и убедитесь, что тормоза работают, затем проведите дорожное испытание.
Примечание. Сразу же после замены тормозных колодок в сборе для включения тормоза в работу может потребоваться больший ход педали. После нескольких нажатий на педаль тормоза нормальный ход педали восстановится.
17. После установки проверьте, нет ли утечки на стыках шлангов и трубок или в штуцерах и при необходимости подтяните.
Обратитесь к первоисточнику на сайте Hondabook.ru
