Расположение элементов системы смазки (К20А, модели с блоком балансирных валов). 1 - шайба, 2 - сливная пробка, 3 - масляный поддон, 4 - блок балансирных валов в сборе с масляным насосом, 5 - маслоуспо-коитель, 6 - перепускной клапан, 7 - штуцер, 8 - масляный фильтр, 9 - датчик аварийного давления масла, 10 - направляющая цепи привода масляного насоса, 11 - ведущая звездочка коленчатого вала, 12 - натяжитель цепи привода масляного насоса.
Расположение элементов системы смазки (К20А, модели без блока балансирных валов). 1 - масляный поддон, 2, 7 - шайба, 3 - сливной болт, 4 - маслоуспокоитель, 5 - масляный насос, 6 - уплотняющий болт, 8 - уплотнительное кольцо, 9 - маслоохладитель, 10 - штуцер, 11 - масляный фильтр, 12 - датчик аварийного давления масла, 13 - направляющая цепи привода масляного насоса, 14 - ведущая звездочка привода масляного насоса, 15 - масляная форсунка, 16 - перепускной болт, 17 - натяжитель цепи привода масляного насоса.
Расположение элементов системы смазки (D17A). 1 - сливная пробка, 2 - шайба, 3 - масляный поддон, 4 - маслоуспокоитель, 5 - маслоприемник, 6 - прокладка, 7 - масляный насос, 8 - направляющая, 9 - уплотнительное кольцо, 10 - штуцер, 11 - датчик аварийного давления масла, 12 - масляный фильтр, 13 - маслоуловитель, 14 - защитная крышка.
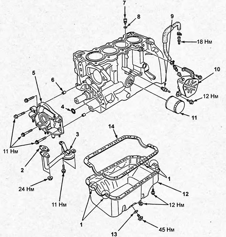
Расположение элементов системы смазки (D15B). 1 - при установке нанести герметик, 2,13 - прокладка, 3 - маслоприемник, 4, 8 - уплотнительное кольцо, 5 - масляный насос в сборе, 6 - установочный штифт, 7 - перепускной клапан, 9 - датчик аварийного давления моторного масла, 10 - маслоуловитель, 11 - масляный фильтр, 12 - масляный поддон, 14 - прокладка масляного поддона.
Разборка и сборка масляного насоса (D15B, D17A). 1 - крышка масляного насоса, 2 - ведомый ротор, 3 - ведущий ротор, 4 - уплотнительное кольцо, 5 - направляющая, 6 - корпус масляного насоса, 7 - редукционный клапан, 8 - пружина, 9 - пробка, 10 - передний сальник коленчатого вала.
Разборка и сборка масляного насоса (К20А, модели без блока балансирных валов). 1 - корпус масляного насоса, 2 - направляющая, 3 - крышка масляного насоса, 4 - ведомый ротор, 5 - пробка, 6 - пружина, 7 - редукционный клапан, 8 - болты.
Разборка и сборка масляного насоса (К20А, модели с блоком балансирных валов). 1 - пробка, 2 - ведомая звездочка масляного насоса, 3 - корпус масляного насоса, 4 - направляющая, 5 - пластина маслоуспокоителя, 6 - крышка корпуса балансирного механизма, 7 - вкладыши подшипников балансирных валов, 8 - правый балансирный вал, 9 - левый балансирный вал, 10 - корпус балансирного механизма, 11 - ведомый ротор, 12 - ведущий ротор, 13 - редукционный клапан, 14 - пружина.
(Первоначальный текст статьи расположен на сайте: HONDABOOK)
