Считывание кодов неисправностей
1. Переведите замок зажигания в положение "OFF".
2. Нажмите и удерживайте переключатель привода переключения забора воздуха и выключатель обогревателя заднего стекла, переведите замок зажигания в положение "ON" и отпустите переключатели.
1 - индикаторы, 2 - переключатель привода переключения забора воздуха, 3 - выключатель кондиционера, 4 - выключатель обогревателя заднего стекла.
4. Убедитесь, что индикаторы переключателя привода переключения забора воздуха и выключателя обогревателя заднего стекла загорелись.
5. Убедитесь, что индикатор переключателя привода переключения забора воздуха погас через 2 секунды, а индикатор выключателя кондиционера загорелся примерно на 10 секунд.
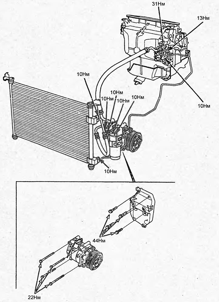
Моменты затяжки.
6. Считайте коды неисправностей по индикатору переключателя привода переключения забора воздуха, см. таблицу "Диагностика системы кондиционирования (кондиционер с ручным управлением)".
Если кодов нет, индикатор не будет мигать.
7. После завершения считывания кодов неисправностей переведите замок зажигания в положение "OFF", устраните неисправность и повторно проведите диагностику.
[Материал получен с веб-сайта «HondaBook»]
