
2. Вверните пробку в сливное отверстие, поставив новую уплотняющую шайбу (В).
3. Подкатите домкрат под коробку передач и поднимите его, создав зазор между коробкой передач и передним подрамником.
4. Отсоедините разъем жгута электроклапанов переключения передач.
5. Открутите болт (А), крепящий кронштейн (В) подводящей трубки (С) охладителя ATF к крышке электроклапанов переключения передач (D), болт трубки (Е) и снимите уплотняющие шайбы (F).

6. Снимите крышку электроклапанов переключения передач, прокладку (G) и реперные штифты (Н).
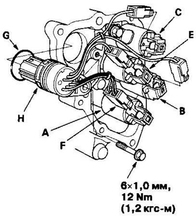
7. Открутите болт (А) и отсоедините разъем жгута электроклапанов переключения передач (В).

8. Измерьте сопротивление датчика температуры ATF между контактами №6 и №7 разъема жгута электроклапанов переключения передач.
Стандарт: 50 Ом-25 кОм
9. Если сопротивление отличается от нормы, замените датчик температуры ATF. Датчик температуры ATF отдельно от электроклапанов переключения передач не поставляется.
10. Отсоедините разъемы от электроклапанов переключения передач.
11. Подсоедините разъем к электроклапану переключения передач А с датчиком температуры ATF (F) на новом жгуте электроклапана.

12. Подсоедините разъем к электроклапану В (оранжевый провод), к электроклапану С (зеленый провод) и к электроклапану Е (красный провод).
13. Поставьте новое кольцевое уплотнение (G) на разъем электроклапанов переключения передач (Н) и подсоедините разъем к картеру коробки передач.
14. Установите крышку на электроклапаны переключения передач, поставив новую прокладку и реперные штифты.
15. Установите подводящую трубку охладителя ATF, закрепив ее болтом и поставив новые уплотняющие шайбы. При помощи домкрата создайте зазор между коробкой передач и передним подрамником и затяните болт трубки динамометрическим ключом.
16. Установите кронштейн подводящей трубки охладителя ATF на крышку электроклапанов переключения передач, закрепив ее болтом.
17. Проверьте, нет ли ржавчины, грязи или масла на разъеме, затем надежно подсоедините разъем.
18. Уберите домкрат.
19. Заправьте коробку передач рекомендуемой трансмиссионной жидкостью.
(Текст был взят с сайта: www.hondabook.ru)
