2. Отсоедините разъем выключателя О/D / электроклапана блокировки переключения передач / штифтового парковочного выключателя.

Примечание. На рисунке показана модель с левым рулем; расположение на модели с правым рулем симметрично.
3. Проверьте, есть ли проводимость между контактами № 5 и № 6 разъема выключателя О/D /электроклапана блокировки переключения передач / штифтового парковочного выключателя при нажатом и отжатом выключателе O/D.
4. Если выключатель О/D в порядке, подсоедините разъем и установите снятые компоненты.
Если выключатель О/D неисправен, переходите к п. 5 для замены выключателя O/D.
5. Переключите рычаг селектора в положение [R].
6. Сдвиньте фиксирующий язычок (А) с держателя (В) по тросу переключения передач.

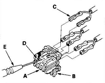
7. Снимите фиксатор троса переключения передач (С), захватив его в центре (D) острогубцами (Е) с наконечника троса переключения передач и держателя наконечника троса переключения передач.
Примечание. Не пытайтесь поддеть фиксатор троса отверткой, иначе Вы можете повредить держатель наконечника троса переключения передач.
8. Отделите наконечник троса переключения передач от держателя наконечника троса переключения передач.
9. Поверните держатель патрона (А) на тросу переключения передач (В) на четверть оборота; язычок (С) на держателе патрона окажется в прорези (D) кронштейна держателя патрона (Е). Затем сдвиньте держатель и снимите трос переключения передач с кронштейна держателя патрона.
Примечание. Не снимайте трос переключения передач, скручивая направляющую троса (F) и амортизатор (G).
Модели с левым рулем

Модели с правым рулем

10. Снимите рычаг селектора в сборе.

Примечание. На рисунке показана модель с левым рулем; расположение на модели с правым рулем симметрично.
11. Выньте жгут из хомута в основании кронштейна рычага селектора и снимите обвязочную ленту со жгута.
12. Подденьте фиксирующие язычки с задней стороны разъема выключателя О/D / электроклапана блокировки переключения передач / штифтового парковочного выключателя (А) и снимите заднюю крышку (В).

13. Выньте контакт (С) из разъема, отжав фиксирующий язычок (D) в разъеме при помощи отвертки с тонким жалом (Е). Выньте все шесть контактов.
14. Снимите рукоятку с рычага селектора (А), затем снимите выключатель О/D (В) с рукоятки.

15. Выньте контакты из разъема выключателя О/D, надавив на фиксирующие язычки в разъеме при помощи отвертки с тонким жалом.

16. Потяните за жгуты выключателя O/D (А) со стороны кронштейна рычага селектора и выньте их. При снятии жгутов оставьте трубку жгутов (В).

17. Установите рукоятку (А) на рычаг селектора (В) и совместите отверстие (С) выключателя с наклоном 50° (D) к вертикальной оси (Е).

18. Вставьте контакты жгута нового выключателя О/D (А) в оставленную трубку жгутов (В), затем перевяжите трубку шпагатом (С) так, чтобы контакты не выпали из трубки.

19. Потяните за старую трубку со стороны рукоятки рычага селектора и установите жгуты выключателя O/D.

20. Снимите старую трубку жгутов с контактов жгута выключателя O/D.
21. Вставьте контакты жгута в новый выключатель О/D. Оба контакта жгута можно вставлять в любое гнездо.

22. Вставьте новый выключатель О/D в рукоятку рычага селектора.
23. Вставьте контакты жгута выключателя О/D (А) в гнезда №5 и №6. Оба контакта жгута выключателя O/D можно вставлять в любое из гнезд №5 и №6.

24. Вставьте контакты жгута штифтового парковочного выключателя (В) в гнезда №1 и №2. Оба контакта жгута штифтового выключателя парковки можно вставлять в любое из гнезд №1 и №2.
25. Вставьте контакт синего жгута (С) электроклапана блокировки переключения передач в гнездо №3, а контакт красного жгута (D) - в гнездо № 4. Убедитесь, что все шесть контактов надежно зафиксировались, затем поставьте заднюю крышку (Е).
26. Совместите метки (А) на жгутах и закрепите обвязочную ленту (В) поверх меток. Зафиксируйте жгут выключателя O/D (С) хомутом на расстоянии 15 мм (D) от обвязочной ленты.

27. Установите рычаг селектора в сборе.
Примечание. На рисунке показана модель с левым рулем; расположение на модели с правым рулем симметрично.

28. Поверните ключ зажигания в положение ON (II) и убедитесь, что загорелся индикатор положения [R].
29. При необходимости вдавите трос переключения передач до отказа, затем отпустите. Оттяните трос переключения передач на одну ступень назад так, чтобы он оказался в положении [R], Не проводите регулировку троса переключения передач, удерживая направляющую регулировку троса переключения (В).

30. Поверните ключ зажигания в положение OFF.
31. Вставьте пруток диаметром 6,0 мм (А) в направляющие отверстия (В) в основании кронштейна рычага селектора через отверстие (С) в рычаге селектора. Рычаг селектора фиксируется в положении [R].

32. Поверните держатель патрона (А) на тросу переключения передач (В) так, чтобы язычок (С) на держателе встал напротив прорези (D) в кронштейне держателя патрона (Е). Совместите держатель с отверстием в кронштейне, затем вставьте держатель в кронштейн. Поверните держатель на четверть оборота и зафиксируйте трос переключения передач. Не надевайте трос переключения передач, скручивая направляющую троса (F) и амортизатор (G).
Модели с левым рулем

Модели с правым рулем

33. Вставьте наконечник троса переключения передач (А) в держатель (В), не допускайте попадания смазки на наконечник и держатель троса переключения передач.

34. Поставьте новый фиксатор троса переключения передач (А) и закрепите наконечник троса переключения передач и держатель троса переключения передач, затем надавите на фиксирующий язычок (В) до упора и зафиксируйте соединение.

35. Выньте пруток диаметром 6,0 мм, вставленный для фиксации рычага селектора.
36. Подсоедините разъем выключателя О/D /электроклапана блокировки переключения передач/штифтового парковочного выключателя.
37. Передвиньте рычаг селектора через все передачи и убедитесь, что индикатор положения передач АКП следует за перемещением переключателя диапазонов коробки передач.
38. Убедитесь, что выключателя O/D действует.
39. Установите крышку комбинации приборов в сборе, нижнюю крышку приборной панели со стороны водителя, панель управления отопителем, переднюю консоль и пепельницу.
(Первоначальный текст статьи расположен на сайте: www.hondabook.ru)
