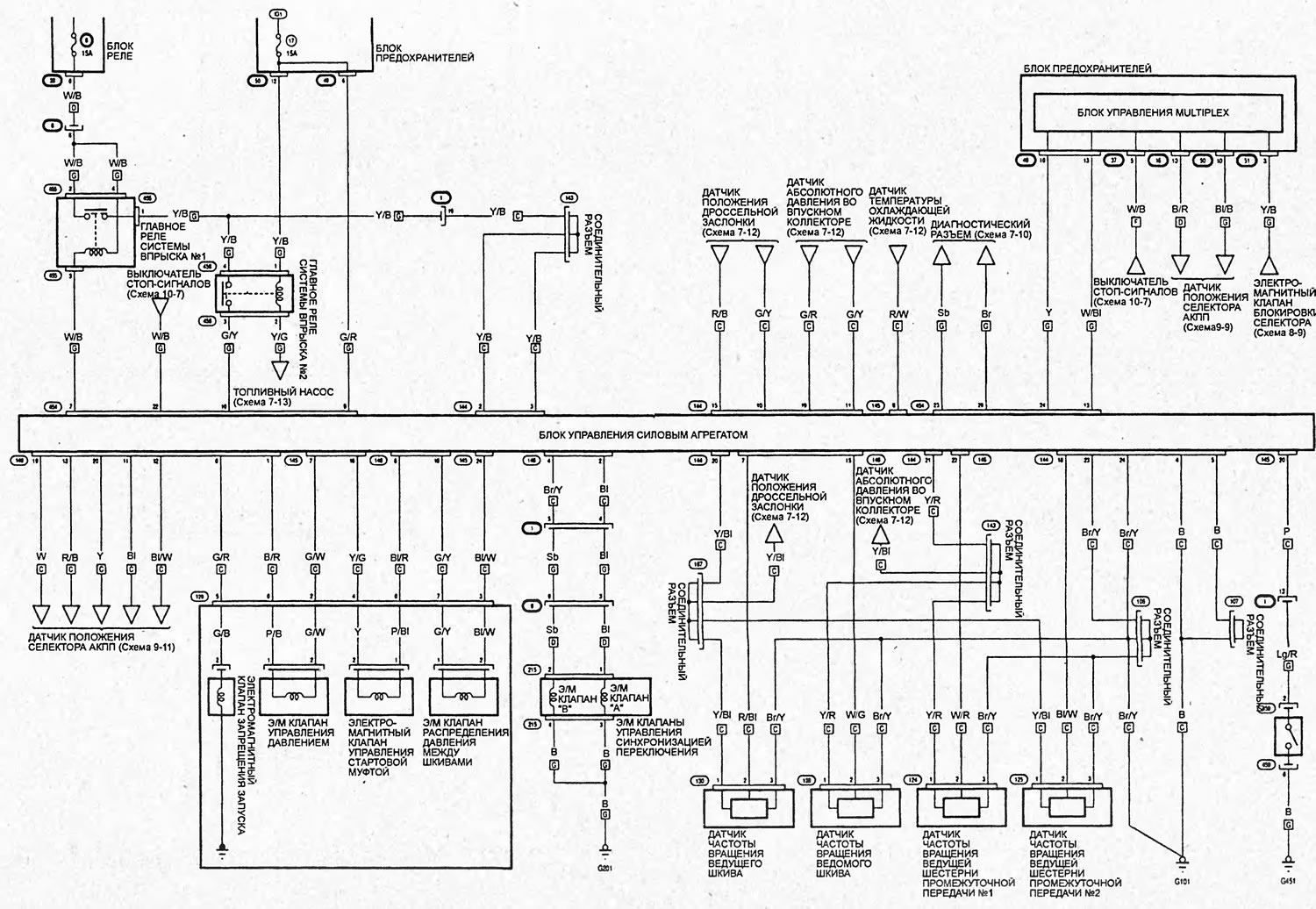
Схема 8-20,21.Система управления вариатором (Multimatic (5-дверные)) (Honda Civic 7)
Эта статья доступна на: английском, болгарском, белорусском, украинском, сербском, хорватском, румынском, польском, словацком, венгерском
Эта информация была проверена: Ярослав Ширяев
Ссылка в разных форматах на эту статью
Комментарии и отзывы посетителей
Комментариев пока нет
- Общая информация
- Технические данные
- Органы управления
- Вождение и обслуживание
- Силовой агрегат
- Бензиновые двигатели (L13A)
- Бензиновые двигатели (R18A)
- Дизельные двигатели (N22A)
- Охлаждение и смазка (L13A)
- Охлаждение и смазка (R18A)
- Охлаждение и смазка (N22A)
- Система впрыска (бензин)
- Система впрыска (дизель)
- Система снижения токсичности
- Диагностика неисправностей
- Трансмиссия
- Сцепление и приводные валы
- Механическая коробка
- Шасси и ходовая часть
- Подвеска и колеса
- Рулевое управление
- Тормозная система
- Кузов и салон
- Экстерьер (внешние элементы)
- Двери, замки и окна
- Электрооборудование
- Оборудование и приборы
- Фары и освещение
- Силовые устройства
- Электрические схемы
- Общая информация
- Руководство по эксплуатации
- Техническое обслуживание
- Силовой агрегат
- Двигатели D15B и D17A
- Двигатели K20A
- Капитальный ремонт
- Система охлаждения
- Система смазки
- Система впрыска топлива
- Система снижения токсичности
- Электрооборудование двигателя
- Трансмиссия
- Сцепление
- Механическая коробка
- Автоматическая коробка
- Вариатор (CVT)
- Приводные валы
- Шасси и ходовая часть
- Подвеска автомобиля
- Рулевое управление
- Тормозная система
- Кузов и салон
- Экстерьер (внешние элементы)
- Интерьер (внутренние элементы)
- Двери, замки и окна
- Отопитель и кондиционер
- Ручной кондиционер
- Автоматический кондиционер
- Система безопасности
- Электрооборудование
- Оборудование и приборы
- Фары и освещение
- Стеклоочистители и омыватели
- Аудиосистема
- Электрические схемы
- Общая информация
- Введение в руководство
- Руководство по эксплуатации
- Техническое обслуживание
- Силовой агрегат
- Двигатель в автомобиле (Civic)
- Двигатель в автомобиле (Integra)
- Капремонт двигателей
- Охлаждение и отопление
- Системы питания и выпуска
- Электрооборудование двигателя
- Системы управления двигателем
- Трансмиссия
- Механическая коробка (МКПП)
- Автоматическая коробка (AT/CVT)
- Cцепление и приводные валы
- Шасси и ходовая часть
- Тормозная система
- Подвеска автомобиля
- Рулевое управление
- Кузов и салон
- Экстерьер (внешние элементы)
- Интерьер (внутренние элементы)
- Двери, замки и окна
- Электрооборудование
- Оборудование и приборы
- Электрические схемы
- Силовой агрегат
- Двигатели SOHC
- Двигатели DOHC
- Капремонт двигателей
- Система охлаждения и смазки
- Система впуска и выпуска
- Система впрыска топлива (SOHC)
- Система впрыска топлива (DOHC)
- Карбюратор
- Трансмиссия
- Сцепление
- Механическая коробка S4C
- Механическая коробка S40
- Автоматическая коробка
- Приводные валы
- Шасси и ходовая часть
- Подвеска автомобиля
- Рулевое управление
- Тормозная система
- Кузов и салон
- Элементы кузова
- Отопитель и кондиционер
- Электрооборудование
- Силовые устройства
- Оборудование и приборы
- Электрические схемы
- Общая информация
- Техническое обслуживание
- Силовой агрегат
- Двигатель в автомобиле
- Капремонт двигателя
- Система охлаждения
- Система питания и выхлопа
- Электрооборудование двигателя
- Система контроля выбросов
- Трансмиссия
- Механическая коробка
- Автоматическая коробка
- Сцепление и приводные валы
- Полный привод
- Шасси и ходовая часть
- Тормозная система
- Подвеска автомобиля
- Рулевое управление
- Кузов и салон
- Элементы кузова
- Электрооборудование
- Оборудование и приборы
- Электрические схемы
Автомобильный анекдот:
хочу ещё один

