Снятие и установка впускного коллектора

Снятие
1. Снимите крышку с впускного коллектора.

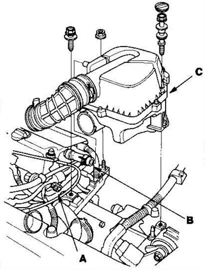
2. Отсоедините разъем (А) от датчика температуры всасываемого воздуха (IAT) и снимите шланг сапуна (В), затем снимите корпус воздухоочистителя (С).

3. Снимите крышку дроссельной заслонки (А). Полностью откройте тягу дроссельной заслонки и тягу круиз-контроля рукой, затем отсоедините трос дроссельной заслонки (В) и трос круиз-контроля (С) от тяг. Ослабьте контргайки (D) и затем выньте тросы из кронштейна.

4. Отсоедините шланг (А) от угольного фильтра (EVAP) и вакуумный шланг (В) от усилителя тормоза.

5. Отсоедините перепускные водяные шланги, затем закупорьте их.

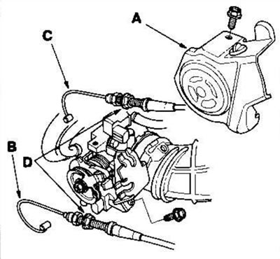
6. Отсоедините разъем (А) от соленоида привода клапана управления регулятором впускного коллектора (IMRC), затем отсоедините шланг (В) принудительной вентиляции картера (PCV) и открутите крепежный болт (С) соленоида управления клапаном IMRC.

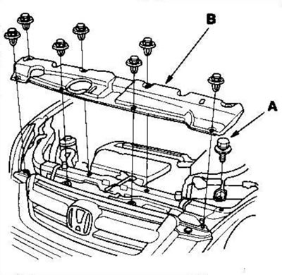
7. Открутите болт (А), крепящий фиксатор аккумулятора, затем снимите крышку перегородки (В).

8. Снимите хомуты жгута.

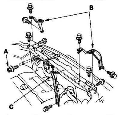
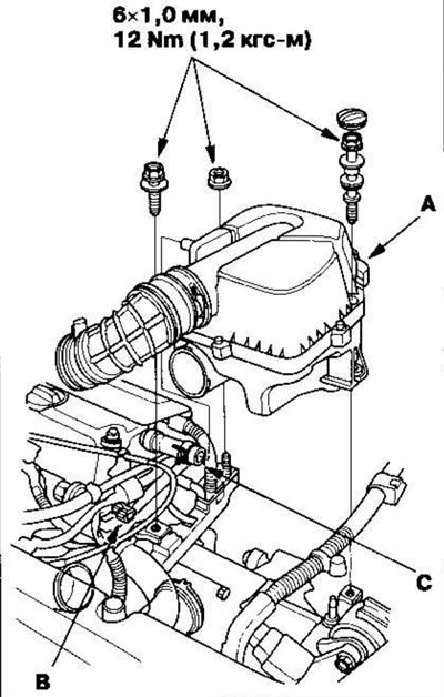
9. Открутите крепежные болты (А) воздухозаборника и снимите верхний кронштейн и подушку (В), затем снимите перегородку (С).

10. Отсоедините разъемы жгута электропроводки двигателя и снимите хомуты электропроводки с впускного коллектора.
- Разъем клапана-регулятора подачи воздуха на оборотах холостого хода (IAC)
- Разъем датчика положения дроссельной заслонки (ТР)
- Разъем датчика абсолютного давления в коллекторе (МАР)
- Разъем электроклапана продувки угольного фильтра улавливания паров топлива (EVAP)
11. Снимите впускной коллектор.

Установка
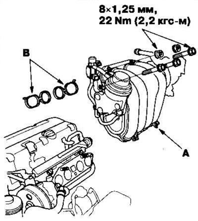
1. Установите впускной коллектор (А) и затяните болты/гайки крест-накрест в два или три прохода, начиная с внутреннего болта. Поставьте новые кольцевые уплотнения.

2. Установите перегородку (А), затем верхний кронштейн и подушку (В) и затяните крепежные болты (С) воздухозаборника. Нанесите краску на крепежные болты перегородки.

3. Наденьте хомуты на жгут.

4. Поставьте крышку перегородки (А), затем затяните болт (В), крепящий фиксатор аккумулятора.

5. Подсоедините разъем (А) к электроклапану управления приводом клапана управления регулятором впускного коллектора (IMRC), затем подсоедините шланг (В) принудительной вентиляции картера (PCV) и затяните крепежный болт (С) соленоида управления клапаном IMRC.

6. Подсоедините перепускные водяные шланги.

7. Подсоедините шланг (А) к угольному фильтру (EVAP) и вакуумный шланг (В) к усилителю тормоза.

8. Подсоедините трос дроссельной заслонки, затем отрегулируйте трос.
9. Подсоедините трос круиз-контроля, затем отрегулируйте трос.
10. Установите кожух воздушного фильтра (А) и подсоедините разъем (В) к датчику температуры всасываемого воздуха (IAT).

11. Подсоедините шланг (С) к сапуну.
12. Установите крышку на впускной коллектор.

13. Вытрите пролитую охлаждающая жидкость двигателя.
14. После установки проверьте, правильно ли подсоединены все трубки шланги и разъемы.
15. Заправьте радиатор охлаждающей жидкостью двигателя и проведите прокачку систему охлаждения, открыв краник отопителя.
