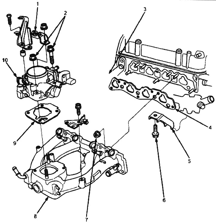
1. 6x1,0 мм, 9,8 Nm(1,1 кгс/м)
2. 8х1,25 мм, 22 Nm (2,2 кгс/м)
3. ПРОКЛАДКА. Замените.
4. ПРОКЛАДКА. Замените.
5. КРОНШТЕЙН ВПУСКНОГО КОЛЛЕКТОРА
6. 8х1,25 мм, 24 Nm (2,4 кгс/м)
7. 8х1,25 мм, 24 Nm (2,4 кгс/м)
8. ВПУСКНОЙ КОЛЛЕКТОР. Замените, если на нем имеются трещины или повреждения на контактных поверхностях.
9. ПРОКЛАДКА. Замените.
10. КОРПУС ДРОССЕЛЬНОЙ ЗАСЛОНКИ.
Примечание: При сборке ставьте новые прокладки.
Предостережение:
- Проверьте, нет ли загибов или царапин на поверхности прокладок.
- Если на прокладке имеются повреждения, заменит ее новой.
(Оригинал находится на сайте: HONDABOOK.ru)
