Меры предосторожности
Предостережение! Не курите при проведении работ на топливной системе. Не производите искр или открытого огня на рабочем месте.
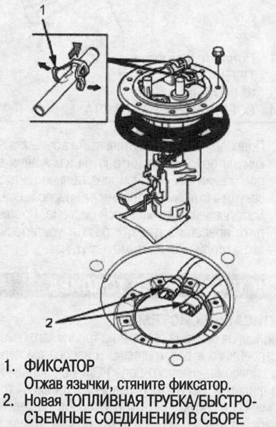
Топливная трубка/быстросъемные соединения в сборе объединяют встроенный в топливный бак топливный насос с топливным фильтром и трубкой отвода топлива и топливный фильтр с трубкой подачи топлива. Для снятия или установки топливного фильтра, топливного насоса и топливного бака необходимо отсоединить или соединить быстросъемные соединения. Обращайте внимание на следующее:
- Топливная трубка/быстросъемные соединения в сборе не жаростойкие, не повредите их при проведении сварочных работ или иных операций с выделением тепла.
- Топливная трубка/быстросъемные соединения в сборе не кислотостойкие, не прикасайтесь к ним салфетками, которыми вытирали электролит. Замените топливную трубку/быстросъемные соединения в сборе, если они соприкасались с электролитом или аналогичными веществами.
- При отсоединении или соединении топливной трубки/быстросъемных соединений в сборе не сгибайте и не скручивайте их чрезмерно. Если имеются следы повреждения, замените.
Отсоединенные быстросъемные соединения можно снова подсоединить, но фиксатор на вставляемой трубке после снятия повторно использовать нельзя. Меняйте фиксатор:
- при замене топливного насоса
- при замене трубки подачи топлива
- если его сняли с трубки
- если он поврежден

Отсоединение
Предостережение! Не курите при проведении работ на топливной системе. Не производите искр или открытого огня на рабочем месте.
1. Отсоедините отрицательный кабель от аккумулятора.
2. Снимите крышку с наливной горловины и сбросьте давление топлива в топливном баке.
3. Сбросьте давление топлива (см. ниже).
4. Проверьте, не загрязнены ли быстросъемные соединения, и при необходимости очистите.
5. Удерживая соединительную муфту в одной руке, сожмите язычки фиксатора другой рукой и стяните муфту.
Примечание:
- Не повредите трубку или другие компоненты. Не пользуйтесь инструментом.
- Если соединительная муфта не отсоединяется, пошевелите ее, сжав язычки фиксатора, пока муфта не отсоединится.
- Не снимайте фиксатор с трубки; если же Вы снимите его, то Вам придется заменить его новым.

6. Проверьте контактный участок трубки на загрязнение и повреждение.
- Если поверхность грязная, очистите ее.
- Если поверхность ржавая или повреждена, замените топливный насос или трубку подачи топлива.

7. Чтобы избежать повреждения и не дать посторонним предметам попасть в отсоединенные муфту и трубку, наденьте на них пластиковые мешки.

Примечание: Фиксатор после снятия повторно использовать нельзя. Меняйте фиксатор:
- при замене топливного насоса
- при замене трубки подачи топлива
- если его сняли с трубки
- если он поврежден
Подсоединение
Предостережение! Не курите при проведении работ на топливной системе. Не производите искр или открытого огня на рабочем месте.
1. Проверьте контактный участок трубки на загрязнение и повреждение и при необходимости очистите.

2. Вставьте новый фиксатор в соединительную муфту, если фиксатор поврежден или:
- при замене топливного насоса
- при замене трубки подачи топлива
- если его сняли с трубки

Прежде чем подсоединить новую топливную трубку/быстросъемные соединения в сборе, снимите старый фиксатор с соединительной трубки.

3. Совместите быстросъемные соединения с трубкой и защелки фиксатора с канавками соединительной муфты. Затем надевайте быстросъемные соединения на трубку, пока обе защелки фиксатора не зафиксируются со щелчком.
Примечание: Если их трудно надеть, смажьте конец трубки свежим моторным маслом.
![]() |
![]() |
4. Убедитесь, что соединительная муфта заблокировалась и что защелки зафиксировались; проверьте визуально и потянув за соединительную муфту.

5. Подсоедините отрицательный кабель к аккумулятору и поверните ключ зажигания в положении ON (II). Приблизительно на две секунды включится топливный насос и создаст давление в топливной системе. Повторите операцию два-три раза и убедитесь, что в топливной системе нет утечек.
Полная версия на сайте-источнике hondabook.ru


