Оглавление: Снятие ⇊ Установка ⇊


Снятие
1. Снимите панель под щитком.
2. Снимите нижнюю крышку двигателя.
![]() |
![]() |
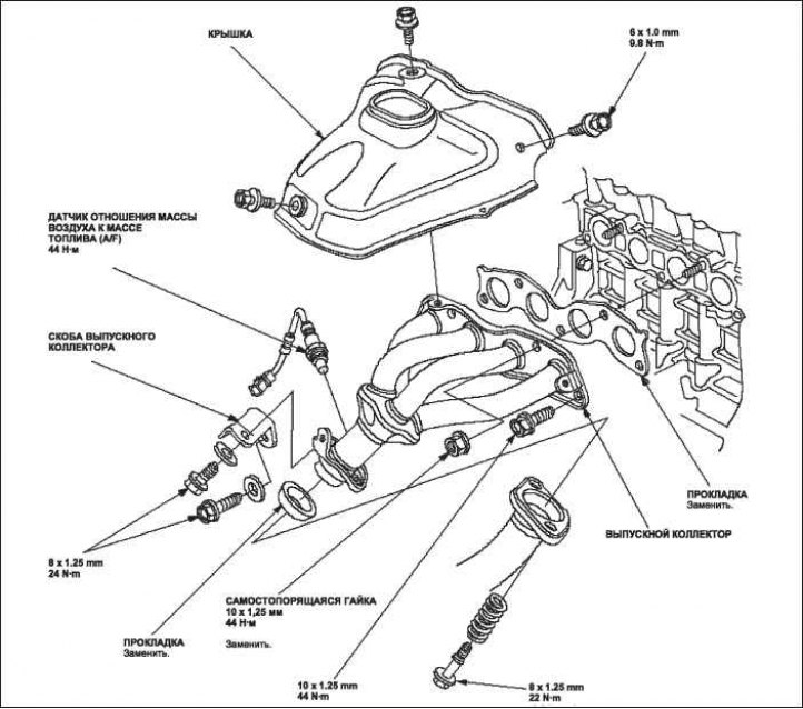
3. Снимите крышку и кронштейн крепления выпускного коллектора, затем снимите выпускной коллектор.
Установка
4. Установите выпускной коллектор и затяните болты и гайки в направлении «крест-накрест» в два или три этапа, начиная со внутреннего болта.
5. Установите остальные детали в последовательности, обратной снятию.
(Материал получен с веб-сайта: www.hondabook.ru)


