HondaBook.ru
Авто компании Volkswagen Авто компании Ford Авто компании Lada Авто компании Skoda Авто компании BMW Авто компании Mazda Авто компании Peugeot
Русский English
Български
Беларускі
Український
Српски
Hrvatski
Română
Polski
Slovenský
Magyar
В закладки Контакты Карта   
 
 
 
 
 
 
 
Accord Civic Fit / Jazz CR-V HR-V Другие Статьи
Цивик 3 и 4 (1983-1991) Цивик 5 и 6 (1991-2000) Цивик 6 (1995-2000) Цивик 7 (2000-2005) Цивик 8 (2005-2011)

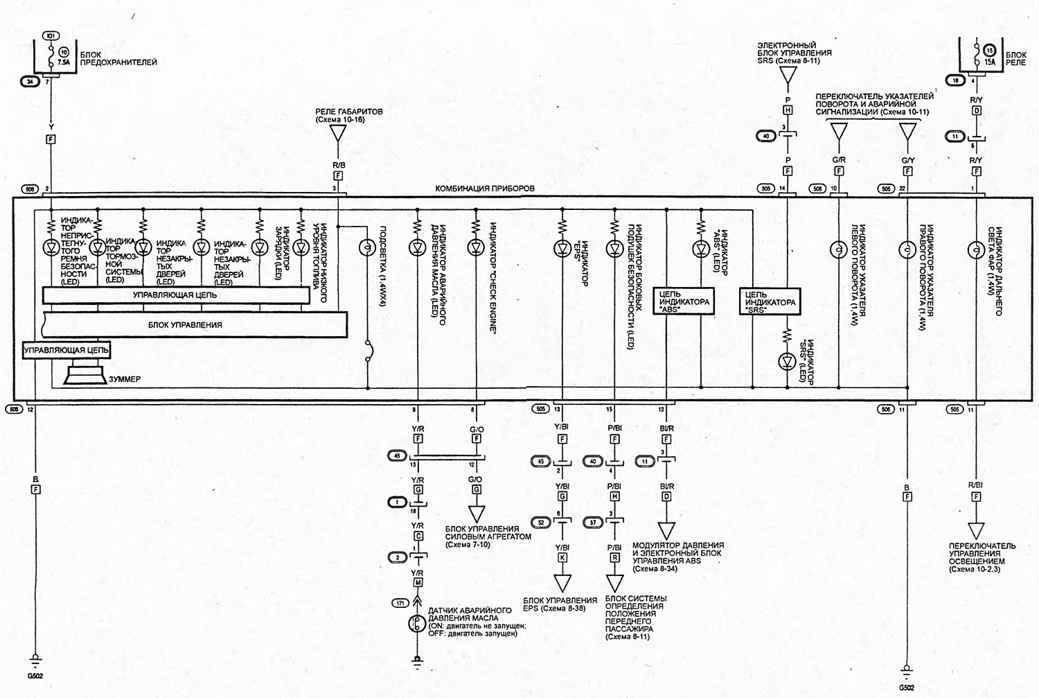
Схема 9-4,5. Комбинация приборов (Honda Civic 7)

  • Главная
  • Хонда Цивик
  • 7 (2000-2005)
  • Электрооборудование
  • Электрические схемы
  • Схема 9-4,5. Комбинация приборов
0

Комбинация приборов



Схема 9-4,5.
Открыть большую картинку в новой вкладке »


Схема 9-4,5.


Статья основана на информации с сайта: www.hondabook.ru
Эта статья доступна на: английском, болгарском, белорусском, украинском, сербском, хорватском, румынском, польском, словацком, венгерском
Эта информация была проверена: Ярослав Ширяев
Поделитесь с друзьями:
◀ Предыдущие
Цивик 7: Электрические схемы
Следующие ▶

Схема 8-38. Электроусилитель рулевого управления (EPS)
Схема 8-36,37. Электропривод стеклоподъемников
Схема 8-34,35. Антиблокировочная система тормозов (ABS)
Схема 8-30,31,32,33. Система Miltiplex (5-дверные модели)
Схема 8-26,27,28,29. Система Miltiplex (4-дверные модели)
Схема 9-6. Комбинация приборов (4-дверные модели)
Схема 9-7. Комбинация приборов (5-дверные модели)
Схема 9-8. Индикатор положения селектора АКПП (4-дверные модели, начало)
Схема 9-9. Индикатор положения селектора АКПП (5-дверные модели)
Схема 9-10. Индикатор положения селектора (модели с АКПП)
Смотрите также другие статьи из мануалов Хонда:
Комбинация приборов и контрольные лампы Хонда Аккорд 6 (1997-2002)
Комбинация приборов Хонда Фит 1 (2001-2008)
Схема соединений приборов освещения и световой сигнализации Хонда CR-V 1 (1995-2001, бензин)
Комбинация приборов — описание Хонда HR-V 1 (1998-2006, бензин)
Комбинация приборов Хонда Авансир 1 (1999-2003, бензин)
Ссылка в разных форматах на эту статью
Комментарии и отзывы посетителей
Комментариев пока нет


Сколько будет 35 + 39 ?

       





Цивик 8 (2005-2011) 
  • Общая информация
  • Технические данные
  • Органы управления
  • Вождение и обслуживание
  • Силовой агрегат
  • Бензиновые двигатели (L13A)
  • Бензиновые двигатели (R18A)
  • Дизельные двигатели (N22A)
  • Охлаждение и смазка (L13A)
  • Охлаждение и смазка (R18A)
  • Охлаждение и смазка (N22A)
  • Система впрыска (бензин)
  • Система впрыска (дизель)
  • Система снижения токсичности
  • Диагностика неисправностей
  • Трансмиссия
  • Сцепление и приводные валы
  • Механическая коробка
  • Шасси и ходовая часть
  • Подвеска и колеса
  • Рулевое управление
  • Тормозная система
  • Кузов и салон
  • Экстерьер (внешние элементы)
  • Двери, замки и окна
  • Электрооборудование
  • Оборудование и приборы
  • Фары и освещение
  • Силовые устройства
  • Электрические схемы
Цивик 7 (2000-2005) 
  • Общая информация
  • Руководство по эксплуатации
  • Техническое обслуживание
  • Силовой агрегат
  • Двигатели D15B и D17A
  • Двигатели K20A
  • Капитальный ремонт
  • Система охлаждения
  • Система смазки
  • Система впрыска топлива
  • Система снижения токсичности
  • Электрооборудование двигателя
  • Трансмиссия
  • Сцепление
  • Механическая коробка
  • Автоматическая коробка
  • Вариатор (CVT)
  • Приводные валы
  • Шасси и ходовая часть
  • Подвеска автомобиля
  • Рулевое управление
  • Тормозная система
  • Кузов и салон
  • Экстерьер (внешние элементы)
  • Интерьер (внутренние элементы)
  • Двери, замки и окна
  • Отопитель и кондиционер
  • Ручной кондиционер
  • Автоматический кондиционер
  • Система безопасности
  • Электрооборудование
  • Оборудование и приборы
  • Фары и освещение
  • Стеклоочистители и омыватели
  • Аудиосистема
  • Электрические схемы
Цивик 6 (1995-2000) 
  • Общая информация
  • Введение в руководство
  • Руководство по эксплуатации
  • Техническое обслуживание
  • Силовой агрегат
  • Двигатель в автомобиле (Civic)
  • Двигатель в автомобиле (Integra)
  • Капремонт двигателей
  • Охлаждение и отопление
  • Системы питания и выпуска
  • Электрооборудование двигателя
  • Системы управления двигателем
  • Трансмиссия
  • Механическая коробка (МКПП)
  • Автоматическая коробка (AT/CVT)
  • Cцепление и приводные валы
  • Шасси и ходовая часть
  • Тормозная система
  • Подвеска автомобиля
  • Рулевое управление
  • Кузов и салон
  • Экстерьер (внешние элементы)
  • Интерьер (внутренние элементы)
  • Двери, замки и окна
  • Электрооборудование
  • Оборудование и приборы
  • Электрические схемы
Цивик 5 и 6 (1991-2000) 
  • Силовой агрегат
  • Двигатели SOHC
  • Двигатели DOHC
  • Капремонт двигателей
  • Система охлаждения и смазки
  • Система впуска и выпуска
  • Система впрыска топлива (SOHC)
  • Система впрыска топлива (DOHC)
  • Карбюратор
  • Трансмиссия
  • Сцепление
  • Механическая коробка S4C
  • Механическая коробка S40
  • Автоматическая коробка
  • Приводные валы
  • Шасси и ходовая часть
  • Подвеска автомобиля
  • Рулевое управление
  • Тормозная система
  • Кузов и салон
  • Элементы кузова
  • Отопитель и кондиционер
  • Электрооборудование
  • Силовые устройства
  • Оборудование и приборы
  • Электрические схемы
Цивик 3 и 4 (1983-1991) 
  • Общая информация
  • Техническое обслуживание
  • Силовой агрегат
  • Двигатель в автомобиле
  • Капремонт двигателя
  • Система охлаждения
  • Система питания и выхлопа
  • Электрооборудование двигателя
  • Система контроля выбросов
  • Трансмиссия
  • Механическая коробка
  • Автоматическая коробка
  • Сцепление и приводные валы
  • Полный привод
  • Шасси и ходовая часть
  • Тормозная система
  • Подвеска автомобиля
  • Рулевое управление
  • Кузов и салон
  • Элементы кузова
  • Электрооборудование
  • Оборудование и приборы
  • Электрические схемы
   Автомобильный анекдот:
хочу ещё один
HondaBook.ru © 2018–2026 • Мобильная версия • Карта сайта: EN BG BY UA RS HR RO PL SK HU • Обратная связь • Информация водителю • Поисковая система • В закладки
Аккорд 3 (1985-1989) • Аккорд 6 (1997-2002) • Цивик 3 и 4 (1983-1991) • Цивик 5 и 6 (1991-2000) • Цивик 6 (1995-2000) • Цивик 7 (2000-2005) • Цивик 8 (2005-2011) • Фит 1 (2001-2008) • CR-V 1 (1995-2001) • CR-V 2 (2002-2006) • HR-V 1 (1998-2006) • Авансир 1 (1999-2003) • Новости автомобилей Хонда • Устройство тормозных систем • Системы управления двигателем • Автоматические коробки передач • Советы новичку за рулем
 
Для корректной работы сайта используются cookie. Нажимая "ОК", вы даете согласие.