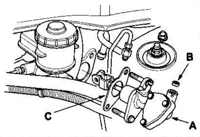
2. Снимите крепежный зажим (А). Отсоедините трубку сцепления (В). Чтобы тормозная жидкость не вытекла из трубки сцепления, закупорьте ее конец салфеткой.

3. Отсоедините шланг (С) бачка от главного цилиндра сцепления. Чтобы тормозная жидкость не вытекла из шланга бачка, закупорьте его конец салфеткой.
4. Подденьте шплинт (А) и выньте штифт (В) педали из вилки. Открутите крепежные гайки (С) главного цилиндра сцепления.

5. Снимите главный цилиндр сцепления (А).

6. Снимите кольцевое уплотнение (В) и уплотнение главного цилиндра сцепления (С) с главного цилиндра сцепления.
7. Установите главный цилиндр сцепления в порядке, обратном снятию. Поставьте новое кольцевое уплотнение. Затяните крепежные гайки главного цилиндра с моментом 13 Nm (1,3 кгс·м). Убедитесь, что язычки на хомутах шланга главного цилиндра обращены в указанных направлениях.
8. Чтобы крепежный зажим (А) не соскочил, разведите усики на кончике крепежного зажима (В) при помощи отвертки.

9. Выполните прокачку гидравлической системы главного цилиндра сцепления.
Примечание: Заправка бачка описывается в процедуре прокачки.
