2. Установите индикатор в нуль, уперев его в торец балансировочного вала, затем сдвиньте балансировочный вал в прямом и обратном направлении и измерьте осевой люфт.

Осевой люфт переднего и заднего балансировочных валов:
| Стандарт(новый) | 0,070-0,135 мм |
| Передел | 0,15 мм |
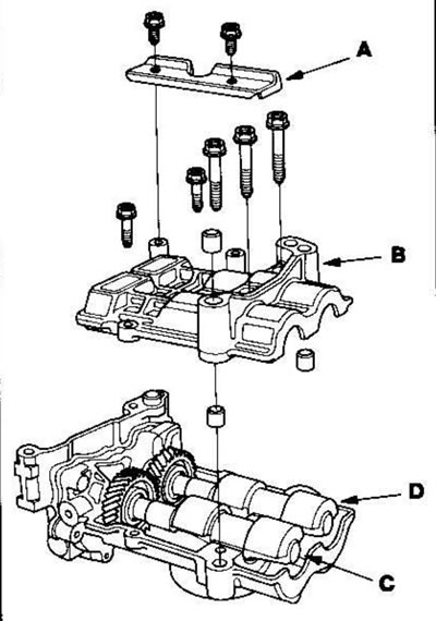
3. Снимите грязеотражатель (А) и верхний кронштейн (В) балансировочных валов, затем снимите передний (С) и задний (D) балансировочные валы.

4. Измерьте внутренний диаметр подшипника №1 под отверстия переднего и заднего балансировочных валов.
Внутренний диаметр подшипника:
| Передний | Стандарт (новый) | 20,000-20,020 мм |
| Передел | 20,03 мм | |
| Задний | Стандарт (новый) | 24,000-24,020 мм |
| Передел | 24,03 мм |
Передний:

Задний:

5. Измерьте диаметры шеек №1 на переднем и заднем балансировочных валах.
Диаметр шейки:
| Передний | Стандарт (новый) | 19,938-19,950 мм |
| Передел | 19,92 мм | |
| Задний | Стандарт (новый) | 23,938-23,950 мм |
| Передел | 23,92 мм |
Передний:

Задний:

6. Протрите шейки №2 и вкладыши подшипников балансировочных валов чистой салфеткой.
7. Уложите по отрезку калиброванной проволоки Plastigage поперек каждой шейки.
8. Снова установите подшипники и верхний кронштейн балансировочных валов, затем затяните болты.
Примечание. Не проворачивайте балансировочный вал во время проверки.
9. Снова снимите верхний кронштейн балансировочных валов и подшипники и измерьте самую широкую часть расплющенной проволоки.

Если масляный зазор шейки №2 балансировочных валов превышает предельное значение, поставьте новые подшипники и проведите повторную проверку. Если зазор все еще превышает предельное значение, замените балансировочные валы.
Масляный зазор шейки №2:
| Стандарт (новый) | 0,060-0,120 мм |
| Передел | 0,15 мм |
10. Совместите выбитую метку на заднем балансировочном валу по центру между двумя выбитыми метками на переднем балансировочном валу, затем установите балансировочные валы в нижний кронштейн балансировочных валов.

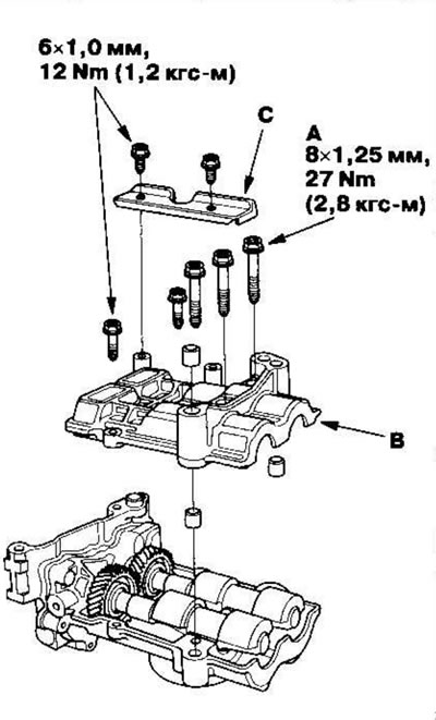
11. Нанесите моторное масло на резьбу 8-мм болтов (А).

12. Установите верхний кронштейн (В) балансировочных валов и грязеотражатель (С).
13. Установите корпус масляного насоса.

Оригинал можно найти на ресурсе HondaBook
