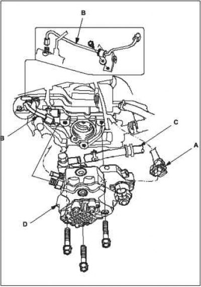
Снятие
1. Снимите крышку двигателя.
2. Снимите корпус воздухоочистителя.
3. Отсоедините разъем топливного насоса А.

4. Снимите трубу высокого давления В.
5. Отсоедините топливные шланги С.
6. Снимите топливный насос D.
Установка
1. Вручную затяните гайки А на новой трубе высокого давления В.
2. Установите топливный насос С.
Примечание. Во время установки топливного насоса установите сам насос и распределительный вал D.

3. Затяните гайку на топливном насосе Е.
4. Затяните гайку на топливораспределительной рампе А.
5. Установите фиксатор и резиновое уплотнение трубы высокого давления F.
Примечание. Если фиксатор и резиновое уплотнение трубы высокого давления не будут установлены, из топливопровода может вытекать топливо.
6. Установите детали в последовательности, обратной снятию, и прокачайте топливную систему.
