Отопитель салона
1994, 1995

Открыть большую картинку в новой вкладке »
1996, 1997

Открыть большую картинку в новой вкладке »
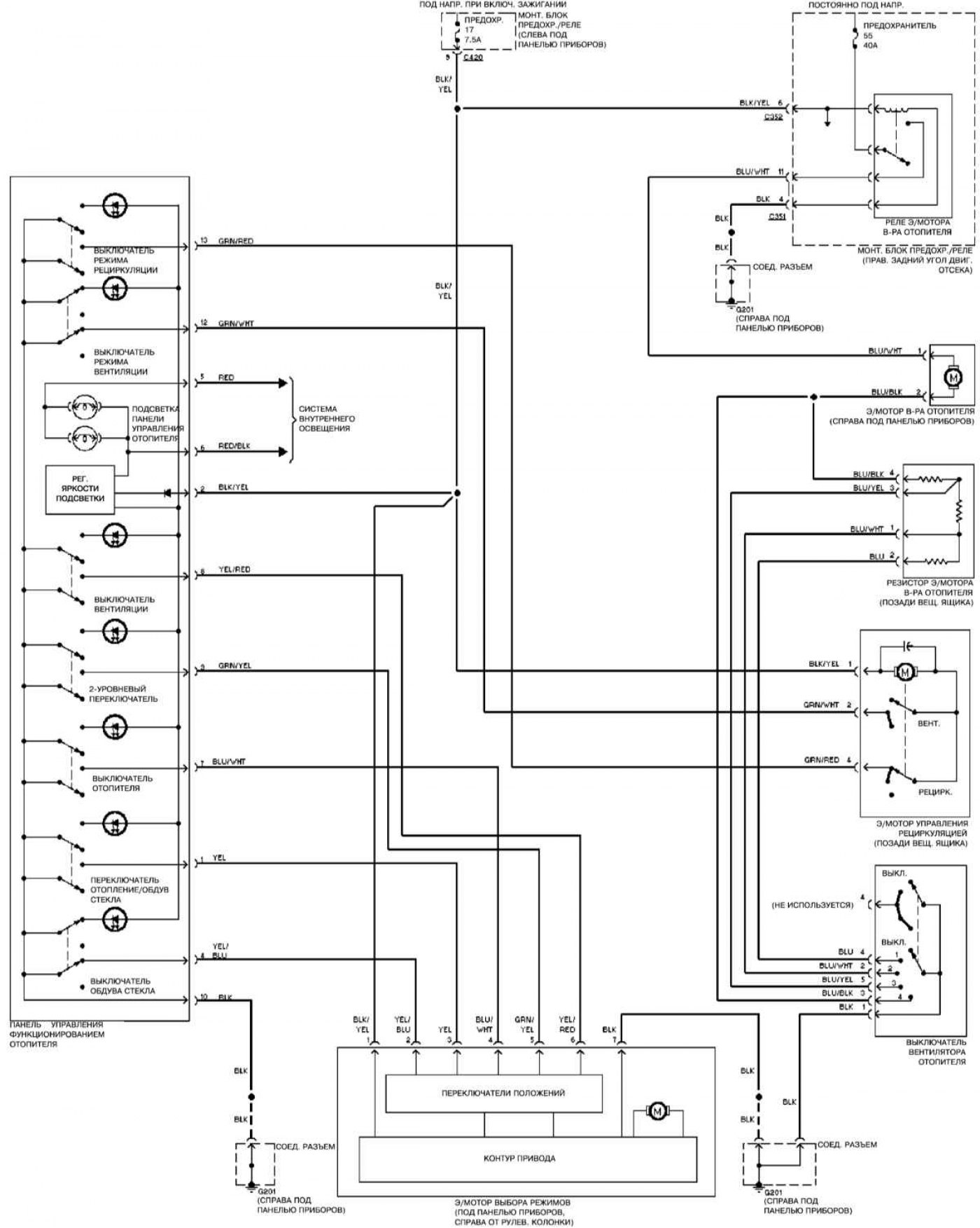
1998

Открыть большую картинку в новой вкладке »
Список используемых в схемах аббревиатур и обозначения цветов электропроводки смотрите здесь →
