HondaBook.ru
Авто компании Volkswagen Авто компании Ford Авто компании Lada Авто компании Skoda Авто компании BMW Авто компании Mazda Авто компании Peugeot
Русский English
Български
Беларускі
Український
Српски
Hrvatski
Română
Polski
Slovenský
Magyar
В закладки Контакты Карта   
 
 
 
 
 
 
 
Accord Civic Fit / Jazz CR-V HR-V Другие Статьи
CR-V 1 (1995-2001, бензин) CR-V 2 (2002-2006, бензин)

Замена воздухоочистителя (Honda CR-V 2)

  • Главная
  • Хонда СРВ
  • 2 (2002-2006, бензин)
  • Силовой агрегат
  • Топливная система
  • Замена воздухоочистителя
0
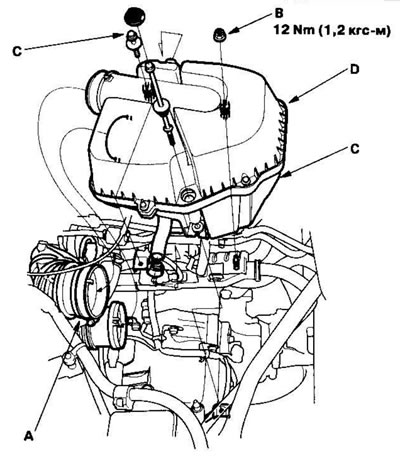
1. Снимите хомут (А), открутите гайки (В) и болты (С).

1. Снимите хомут (А), открутите гайки (В) и болты…


2. Снимите воздухоочиститель (D).

3. Установка выполняется в порядке, обратном снятию.

(Оригинал можно найти на ресурсе: hondabook.ru)
Эта статья доступна на: английском, болгарском, белорусском, украинском, сербском, хорватском, румынском, польском, словацком, венгерском
Эта информация была проверена: Михаил Копасов
Поделитесь с друзьями:
◀ Предыдущие
CR-V 2: Топливная система
Следующие ▶

Тестирование перепускного термоклапана подачи воздуха
Тестирование корпуса дроссельной заслонки при помощи сканера или тестера HONDA…
Поиск и устранение неисправностей в системе IMRC
Система подачи воздуха — расположение компонентов
Тестирование сигнальной лампы низкого уровня топлива
Замена фильтрующего элемента воздухоочистителя
Регулировка троса дроссельной заслонки
Снятие/установка троса дроссельной заслонки
Снятие/установка корпуса дроссельной заслонки
Разборка/сборка корпуса дроссельной заслонки
Смотрите также другие статьи из мануалов Хонда:
Замена фильтрующего элемента воздухоочистителя Хонда Аккорд 6 (1997-2002)
Замена фильтрующего элемента воздухоочистителя (каждые 24000 км… Хонда Цивик 6 (1995-2000)
Замена салонного фильтра Хонда Фит 1 (2001-2008)
Замена колеса Хонда HR-V 1 (1998-2006, бензин)
Замена колеса Хонда Авансир 1 (1999-2003, бензин)
Ссылка в разных форматах на эту статью
Комментарии и отзывы посетителей
Комментариев пока нет


Сколько будет 21 + 28 ?

       





CR-V 2 (2002-2006, бензин) 
  • Общая информация
  • Руководство по эксплуатации
  • Технические данные
  • Техническое обслуживание
  • Силовой агрегат
  • Ремонт двигателя
  • Система смазки
  • Система охлаждения
  • Выхлопная система
  • Топливная система
  • Управление двигателем
  • Электрооборудование двигателя
  • Трансмиссия
  • Сцепление
  • Механическая коробка
  • Автоматическая коробка
  • Задний дифференциал
  • Приводные валы
  • Шасси и ходовая часть
  • Рулевое управление
  • Передняя подвеска
  • Задняя подвеска
  • Тормозная система
  • Кузов и салон
  • Экстерьер (внешние элементы)
  • Интерьер (внутренние элементы)
  • Двери, замки и окна
CR-V 1 (1995-2001, бензин) 
  • Общая информация
  • Техническое обслуживание
  • Советы автовладельцу
  • Силовой агрегат
  • Ремонт двигателя
  • Капитальный ремонт
  • Система охлаждения и смазки
  • Электрооборудование двигателя
  • Система управления
  • Топливная система
  • Трансмиссия
  • Сцепление и приводные валы
  • Коробка передач
  • Шасси и ходовая часть
  • Передняя подвеска
  • Задняя подвеска
  • Рулевое управление
  • Тормозная система
  • Кузов и салон
  • Обслуживание кузова
  • Экстерьер (внешние элементы)
  • Интерьер (внутренние элементы)
  • Электрооборудование
  • Оборудование и приборы
  • Электрические схемы
   Автомобильный анекдот:
хочу ещё один
HondaBook.ru © 2018–2026 • Мобильная версия • Карта сайта: EN BG BY UA RS HR RO PL SK HU • Обратная связь • Информация водителю • Поисковая система • В закладки
Аккорд 3 (1985-1989) • Аккорд 6 (1997-2002) • Цивик 3 и 4 (1983-1991) • Цивик 5 и 6 (1991-2000) • Цивик 6 (1995-2000) • Цивик 7 (2000-2005) • Цивик 8 (2005-2011) • Фит 1 (2001-2008) • CR-V 1 (1995-2001) • CR-V 2 (2002-2006) • HR-V 1 (1998-2006) • Авансир 1 (1999-2003) • Новости автомобилей Хонда • Устройство тормозных систем • Системы управления двигателем • Автоматические коробки передач • Советы новичку за рулем
 
Для корректной работы сайта используются cookie. Нажимая "ОК", вы даете согласие.