Проверьте, не повреждена ли фиксирующая манжета. Если она повреждена, замените рулевую колонку в сборе.
Проверьте, не повреждены ли амортизирующие пластины от деформации. Если они повреждены, замените рулевую колонку в сборе.
1. шарикоподшипник рулевой колонки; 2. амортизирующие пластины; 3. фиксирующая манжета; 4. подшипники шарнира рулевой колонки
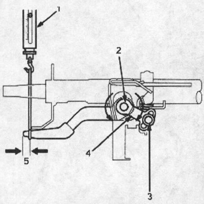
1. Три-пять раз переместите рычаг регулировки наклона из ослабленного положения в фиксированное положение; затем измерьте преднатяг рычага регулировки наклона на расстоянии 10 мм от конца рычага. Преднатяг: 70-90 N (7-9 кгс).
1. динамометр (имеется в продаже); 2. стопорный болт регулировки наклона затягивайте стопорный болт при поднятом рычаге; 3. стопорный болт 6-мм, 9,8 Nm (1,0 кгс/м); 4. ограничитель; 5. 0 мм
2. Если измерение отличается от указанного, отрегулируйте преднатяг следующим способом:
- Ослабьте рычаг регулировки наклона и поставьте рулевую колонку в нейтральное положение.
- Открутите стопорный болт 6-мм и снимите ограничитель. Не ослабляйте рычаг регулировки наклона при установке ограничителя или затягивании стопорного болта.
- Отрегулируйте преднатяг, вращая стопорный болт регулировки наклона влево или вправо.
- Оттяните рычаг регулировки наклона в самое верхнее положение и зафиксируйте ограничитель. Снова проверьте преднатяг. Если измерение все еще отличается от указанного, проведите вышеуказанную процедуру регулировки повторно.
Статья была взята с сайта: HondaBook
