HondaBook.ru
Аўтамабілі кампаніі Volkswagen Аўтамабілі кампаніі Ford Аўтамабілі кампаніі Lada Аўтамабілі кампаніі Skoda Аўтамабілі кампаніі BMW Аўтамабілі кампаніі Mazda Аўтамабілі кампаніі Peugeot
Беларускі Русский
English
Български
Український
Српски
Hrvatski
Română
Polski
Slovenský
Magyar
У закладкі Кантакты Мапа Пошук:  
 
 
 
 
 
 
 
Accord Civic Fit / Jazz CR-V HR-V Іншыя Артыкулы
Акорд 3 (1985-1989) Акорд 6 (1997-2002)

Вакуумныя каналы Accord 1984 (Honda Accord 3)

  • Галоўная
  • Хонда Аккорд
  • 3 (1985-1989)
  • Сілавы агрэгат
  • Схематыка сістэмы эмісіі
  • Вакуумныя каналы Accord 1984
0

Вакуумныя каналы Accord 1984



Вакуумныя каналы Accord 1984
Гэты артыкул даступны на: рускай, англійскай, балгарскай, украінскай, сербскай, харвацкай, румынскай, польскай, славацкай, венгерскай
Гэтая інфармацыя была праверана: Яраслаў Шыраеў
Падзяліцеся з сябрамі:
◀ Папярэднія
Акорд 3: Схематыка сістэмы эмісіі
Наступныя ▶

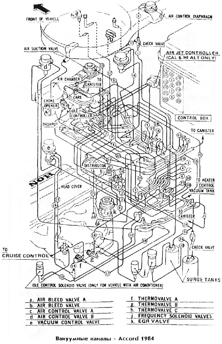
Схематычнае прадстаўленне вакуумных і выпускных каналаў Accord 1984
Слоўнік подпісаў да малюнкаў
Схематычнае прадстаўленне вакуумных і выпускных каналаў для карбюратара Accord…
Вакуумныя каналы для карбюратара Accord 1985
Схематычнае прадстаўленне вакуумных і выпускных каналаў Accord 1985 з упырскам…
Вакуумныя каналы Accord 1985 з упырскам паліва
Вакуумныя каналы Accord 1986 карбюратарныя з АКП
Глядзіце таксама іншыя артыкулы з мануалаў Хонда:
Зазор у магнітным супраціве (толькі для мадэляў 1984-1987 гг.) —… Хонда Цывік 3 і 4 (1983-1991)
Вакуумныя трубкі і шлангі Хонда Авансір 1 (1999-2003, бензін)
Спасылка ў розных фарматах на гэты артыкул
TEXTHTMLBB Code
Каментары і водгукі наведвальнікаў
Каментароў пакуль няма


Колькі будзе 26 + 45 ?

       



Акорд 6 (1997-2002) 
  • Агульная інфармацыя
  • Уводзіны ў кіраўніцтва
  • Інструкцыя па эксплуатацыі
  • Тэхнічнае абслугоўванне
  • Сілавы агрэгат
  • Чатырохцыліндравыя рухавікі
  • Шасціцыліндравыя рухавікі
  • Капрамонт рухавікоў
  • Сістэма ахладжэння
  • Ацяпляльнік і кандыцыянер
  • Сістэмы харчавання і выпуску
  • Электраабсталяванне рухавіка
  • Упраўленне рухавіком
  • Трансмісія
  • Механічная скрынка
  • Аўтаматычная скрынка
  • Счапленне і прывадныя валы
  • Шасі і хадавая частка
  • Тармазная сістэма
  • Падвеска аўтамабіля
  • Рулявое кіраванне
  • Кузаў і салон
  • Экстэр'ер (вонкавыя элементы)
  • Інтэр'ер (унутраныя элементы)
  • Электраабсталяванне
  • Абсталяванне і прыборы
  • Электрычныя схемы
Акорд 3 (1985-1989) 
  • Агульная інфармацыя
  • Тэхнічнае абслугоўванне
  • Сілавы агрэгат
  • Рэгуляванне рухавіка
  • Рамонт рухавіка
  • Электрыка рухавіка
  • Упраўленне эмісіяй
  • Упраўленне рухавіком (карб.)
  • Электроннае ўпырскванне
  • Праграмуемы ўпырск
  • Схематыка сістэмы эмісіі
  • Паліўная сістэма
  • Упраўленне зваротнай сувяззю
  • Трансмісія
  • Механічная каробка перадач
  • Аўтаматычная каробка перадач
  • Счапленне
  • Шасі і хадавая частка
  • Пярэдняя падвеска
  • Задняя падвеска
  • Рулявое кіраванне
  • Тармазная сістэма
  • Электраабсталяванне
  • Вентыляцыя і ацяпленне
  • Кандыцыянер паветра
  • Сістэма круіз-кантролю
  • Абсталяванне і прыборы
HondaBook.ru © 2018–2025 • Мабільная версія • Мапа сайту: EN BG BY UA RS HR RO PL SK HU • Зваротная сувязь • Інфармацыя кіроўцу • Пошукавая сістэма • У закладкі
Акорд 3 (1985-1989) • Акорд 6 (1997-2002) • Цывік 3 і 4 (1983-1991) • Цывік 5 і 6 (1991-2000) • Цывік 6 (1995-2000) • Цывік 7 (2000-2005) • Цывік 8 (2005-2011) • Фіт 1 (2001-2008) • CR-V 1 (1995-2001) • CR-V 2 (2002-2006) • HR-V 1 (1998-2006) • Авансір 1 (1999-2003) •