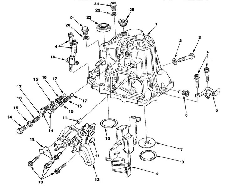
Картер коробки передач

1. Картер коробки передач
2. Шайба 10 мм: Замените.
3. Фланцевый болт 10х 1,25 мм: 44 Nm (4,5 кгс·м)
4. Фланцевый болт 8x1,25 мм: 27 Nm (2,8 кгс·м)
5. Подвесной кронштейна коробки передач
6. Блокировочный болт: 39 Nm (4,0 кгс·м)
7. Маслораздаточная тарелка М
8. Прокладка 72 мм
9. Масляный желоб
10. Прокладка 80-мм
11. Установочный штифт 8x14 мм
12. Переключающий рычаг в сборе
13. Фланцевый болт 6x1,0 мм: 12 Nm (1,2 кгс·м)
14. Стопорный болт: 22 Nm (2,2 кгс·м)
15. Шайба 12 мм: Замените.
16. Пружина
17. Стальной шарик
18. Подвесной кронштейн в коробки передач
19. Кронштейн хомута трубки сцепления
20. Шайба 20 мм: Замените.
21. Пробка наливного отверстия: 44 Nm (4,5 кгс·м)
22. Сальник 40x56 х 8 мм: Замените.
23. Шайба 14 мм: Замените.
24. Пробка сливного отверстия: 39 Nm (4,0 кгс·м)
25. Заглушка 32-мм: 34 Nm (3,5 кгс·м)
