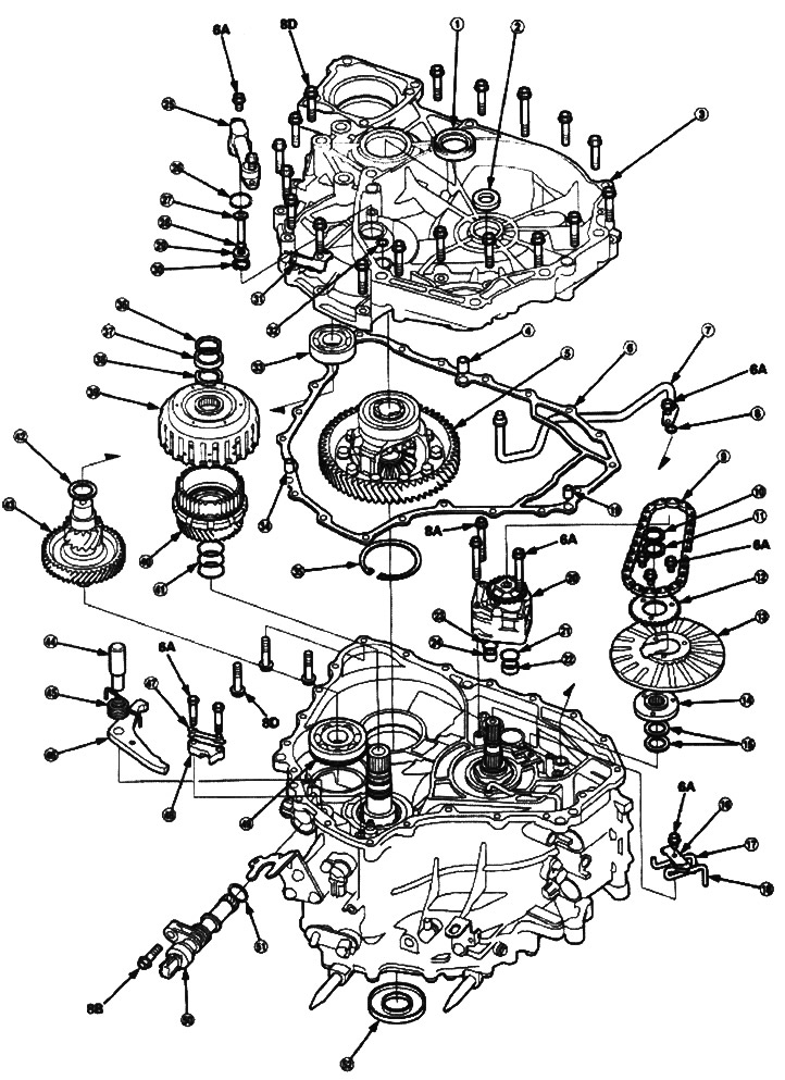
1. Сальник. Замените.; 2. Сальник. Замените.; 3. Картер маховика; 4. Реперный штифт, 12х20 мм; 5. Дифференциал в сборе; 6. Прокладка под картер маховика. Замените.; 7. Подающая трубка жидкости ATF в сборе; 8. Кольцевое уплотнение. Замените; 9. Цепь привода насоса ATF; 10. Стопорное кольцо; 11. Регулировочная прокладка, 22х28 мм. Подбирается по месту; 12. Звездочка привода насоса ATF; 13. Фланец Пито; 14. Ступица звездочки насоса ATF; 15. Упорные шайбы; 16. Кронштейн трубки Пито; 17. Смазочная трубка Пито; 18. Трубка Пито; 19. Реперный штифт, 10x16 мм; 20. Насос ATF в сборе; 21. Кольцевое уплотнение. Замените; 22. Реперный штифт, 22х10 мм; 23. Кольцевое уплотнение. Замените; 24. Реперный штифт, 18х10 мм; 25. Держатель подающей трубки жидкости ATF в сборе; 26. Кольцевое уплотнение. Замените; 27. Подающая трубка жидкости ATF пусковой муфты; 28. Кольцевое уплотнение. Замените; 29. Фланец подающей трубки; 30. Стопорное кольцо; 31. Кронштейн разъема; 32. Кольцевое уплотнение. Замените; 33. Шарикоподшипник; 34. Реперный штифт, 10х16 мм; 35. Установочное кольцо, 80 мм. Подбирается по месту; 36. Стопорное кольцо; 37. Держатель сухариков; 38. Сухарики, 25,5 мм. Подбираются по месту; 39. Пусковая муфта в сборе; 40. Ведущая шестерня вторичного вала в сборе; 41. Кольцевое уплотнение. Замените; 42. Регулировочная прокладка, 25х35 мм. Подбирается по месту; 43. Вторичный вал; 44. Ось защелки парковочного тормоза; 45. Пружина защелки парковочного тормоза; 46. Защелка парковочного тормоза; 47. Стопорная шайба. Замените; 48. Держатель парковочной тяги; 49. Шарикоподшипник; 50. Датчик скорости автомобиля (VSS); 51. Кольцевое уплотнение. Замените; 52. Сальник. Замените.
Моменты затяжки
| №болта/гайки | Момент затяжки | Размер |
| 6А | 12 Nm (1,2 кгс/м) | 6х1,0 мм |
| 8А | 26 Nm (2,7 кгс/м) | 8х1,25 мм |
| 8В | 22 Nm (2,2 кгс/м) | 8х1,25 мм |
| 8D | 29 Nm (3,0 кгс/м) | 8х1,25 мм |
(Оригинал находится на сайте www.hondabook.ru)
