2. Снимите тормозные колодки.
3. Проверьте, нет ли повреждения и трещин на поверхности диска. Тщательно очистите диск и удалите всю ржавчину.
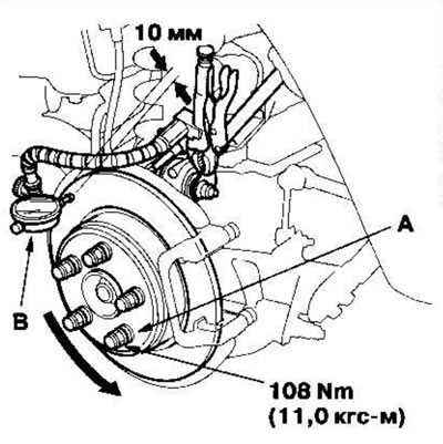
4. Надежно зафиксируйте диск на ступице при помощи подходящих плоских шайб (А) и колесных гаек, затем установите индикатор (В), как показано на рисунке, и измерьте биение на расстоянии 10 мм от наружной кромки диска.

Биение тормозного диска; Предел: 0,10 мм
5. Если биение диска превышает указанный предел, перешлифуйте тормозной диск.
Предел перешлифовки: 8,0 мм
Примечание. Новый диск подлежит перешлифовке, если его биение превышает 0,10 мм.
