Оглавление: Снятие и установка ⇊ Разборка ⇊
Снятие и установка
1. Разрядите хладагент.
2. Снимите коробку реле.
Не отсоединяйте разъем.
3. Отсоедините впускной шланг и выпускную трубку.

4. Снимите нижнюю крышку приборной панели, центральную нижнюю крышку и ящик для перчаток, смотрите главу Кузов.
5. Отсоедините разъем и снимите зажим э/проводки, открутите болты и винты, снимите раму ящика для перчаток. Открутите болты, снимите зажим э/проводки и снимите кронштейн.

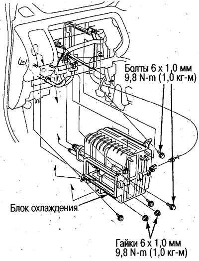
6. Снимите зажим э/проводки и отсоедините разъем от датчика испарителя. Открутите винты, гайки и болты и снимите блок охлаждения.

7. Установка производится в порядке, обратном снятию, с учетом следующего.
Убедитесь в отсутствии утечек воздуха в области блока охлаждения.
Замените кольцевые уплотнения трубки на новые и перед установкой смажьте их компрессорным маслом (ND-OIL8).
После установки проверьте работу кондиционера.
Разборка

При помощи держателя закрепите датчик испарителя на соответствующем участке.
Установите датчик температуры расширительного клапана на выпускной трубке и оберните его резиной.
После сборки проверьте и убедитесь в отсутствии зазоров между корпусами.
[Основано на материалах веб-сайта «HondaBook.ru»]
