Примечание:
- Перед сборкой убедитесь, что на компонентах нет пыли и прочих посторонних веществ.
- Заменяйте детали новыми, если это предписывается указаниями.
- Не проливайте тормозную жидкость на автомобиль, т.к. она может испортить лакокрасочное покрытие; если жидкость все же пролилась, немедленно смойте ее водой.
1. Заменяйте тормозные шланги, если шланг перекручен, потрескался или течет.
2. Отсоедините тормозной шланг от тормозной трубки при помощи гаечного ключа на 10-мм накидного типа.
1. ТОРМОЗНАЯ ТРУБКА
2. ГАЕЧНЫЙ КЛЮЧ НАКИДНОГО ТИПА
3. ТОРМОЗНОЙ ШЛАНГ
3. Снимите зажим с тормозного шланга и выбросите его.
1. ТОРМОЗНОЙ ШЛАНГ
2. ЗАЖИМ ТОРМОЗНОГО ШЛАНГА. Замените
3. БОЛТЫ 6-мм КРОНШТЕЙНА ШЛАНГА
4. БОЛТ С ПРОУШИНОЙ
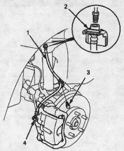
4. Открутите болт с проушиной и отсоедините тормозной шланг от суппорта.
5. Снимите тормозной шланг с поворотного кулака и замените кронштейн и шланг новыми.
6. Сначала установите кронштейн тормозного шланга и тормозной шланг на поворотный кулак, затем подсоедините тормозной шланг к суппорту болтом с проушиной, поставив новые уплотняющие шайбы.
1. БОЛТ С ПРОУШИНОЙ
2. ТОРМОЗНОЙ ШЛАНГ
3. КРОНШТЕЙН ТОРМОЗНОГО ШЛАНГА
4. БОЛТЫ 6-мм КРОНШТЕЙНА ШЛАНГА, 9,8 Nm (1,0 кгс/м)
5. УПЛОТНЯЮЩИЕ ШАЙБЫ. Замените
7. Закрепите тормозной шланг на кронштейне новым зажимом.
1. 15 Nm (1,5 кгс/м)
2. ТОРМОЗНОЙ ШЛАНГ
3. ЗАЖИМ ТОРМОЗНОГО ШЛАНГА. Замените
8. Подсоедините тормозную трубку к тормозному шлангу.
9. После установки тормозного шланга выполните прокачку тормозной системы (см. выше).
10. Проведите следующие проверки:
- Проверьте стык тормозного шланга и тормозной трубки на утеску, и при необходимости подтяните.
- Проверьте тормозные шланги на создание помех или перекручивание.
