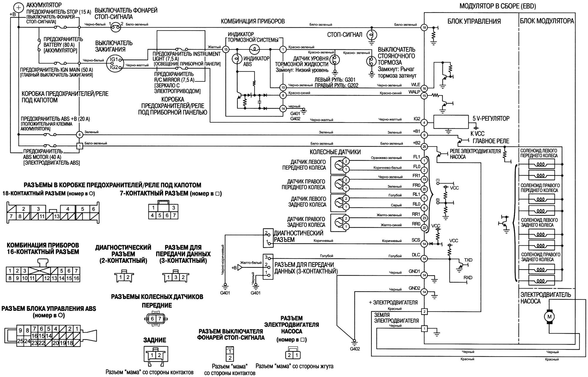
Электрическая схема системы ABS (Honda HR-V 1)
Эта статья доступна на: английском, болгарском, белорусском, украинском, сербском, хорватском, румынском, польском, словацком, венгерском
Эта информация была проверена: Эмиль Сафонов
Ссылка в разных форматах на эту статью
Комментарии и отзывы посетителей
Комментариев пока нет
- Общая информация
- Руководство по эксплуатации
- Техническое обслуживание
- Силовой агрегат
- Ремонт двигателя
- Система смазки
- Система охлаждения
- Впрыск топлива и управление
- Система питания и выхлопа
- Электрооборудование двигателя
- Трансмиссия
- Сцепление
- Механическая коробка
- Автоматическая коробка
- Задний дифференциал
- Приводные валы и кардан
- Шасси и ходовая часть
- Рулевое управление
- Подвеска автомобиля
- Тормозная система
- Кузов и салон
- Экстерьер (внешние элементы)
- Интерьер (внутренние элементы)
- Двери, замки и окна
- Электрооборудование
- Оборудование и приборы
- Система освещения
- Электрические схемы
Автомобильный анекдот:
хочу ещё один

