Снятие
Внимание: не допускайте попадания рабочей жидкости на окрашенные поверхности. При попадании рабочей жидкости на окрашенную поверхность, смойте ее немедленно.
1. Отсоедините провод от отрицательной клеммы аккумуляторной батареи.
Примечание: перед отсоединением провода от аккумуляторной батареи убедитесь, что Вы знаете код доступа к магнитоле. В противном случае магнитола будет заблокирована.
2. Снимите аккумуляторную батарею.
3. Снимите корпус воздушного фильтра (см. главу "Техническое обслуживание и общие процедуры проверки и регулировки").
4. Снимите площадку аккумуляторной батареи.
5. Отсоедините Шланг (А) и трубку (В) сцепления от демпфера.
Примечание: после отсоединение трубки, установите на нее заглушку для предотвращения вытекания жидкости.
- Момент затяжки — 22-25 Нм

6. Отверните болты и снимите кронштейн с демпфером сцепления.
- Момент затяжки — 22 Нм

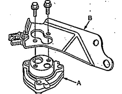
7. Отверните болты и снимите демпфер сцепления (А) с кронштейна (В).
- Момент затяжки — 10 Нм

Примечание:
- Установка производится в порядке, обратном снятию.
- После установки демпфера сцепления:
- прокачайте гидропривод выключения сцепления (см. раздел "Прокачка гидропривода выключения сцепления");
- проверьте отсутствие утечек и правильность работы сцепления.
[Текст можно найти на сайте: HondaBook.ru]
