Оглавление: Снятие ⇊ Установка ⇊
Снятие
1. Отсоедините батарею от массы.
2. Слейте охлаждающую жидкость.
3. Выполните декомпрессию топливной системы (гл. 5).
4. Отсоедините трос круиз-контроля.
5. Обозначьте и отсоедините от дроссельного патрубка и коллектора все разъемы.
6. Отсоедините от дроссельного патрубка трос дроссельной заслонки, воздуховод и шланги охлаждающей жидкости.
7. Снимите дроссельный патрубок, отвернув 2 болта и гайку крепления к коллектору.
8. Снимите 2 кронштейна коллектора.
9. Отверните болты и снимите всасывающий коллектор. Проверьте состояние коллектора. При обнаружении трещин коллектор замените.
Установка
10. Установите стойку коллектора. Затяните болты с моментом 18-25 Нм.
11. Установите всасывающий коллектор, заменив прокладку. Затяните болты с моментом 24 Нм., начиная от центральной части коллектора и смещаясь к периферии.
12. Установите дроссельный патрубок, затяните болты и гайку с моментом 22 Нм.
13. Далее установка выполняется в обратном порядке.
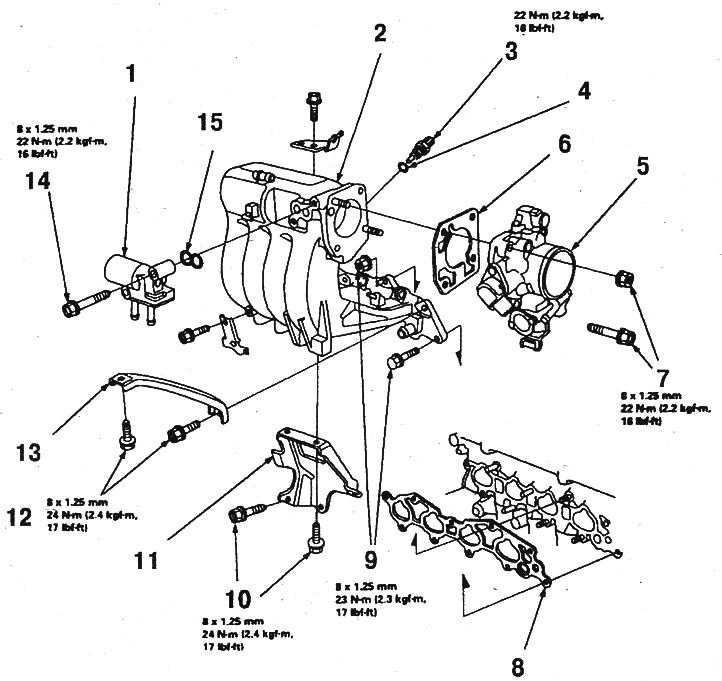
Всасывающий коллектор (CR-V): 1. Воздушный клапан холостого хода (IAC- клапан); 2. Коллектор; 3. Датчик температуры; 4, 15. Кольцо; 5, 8. Прокладка; 6. Дроссельный патрубок; 11, 13. Кронштейн; 7, 9, 10, 12, 14. Моменты затяжки
(Оригинал статьи на веб-ресурсе: HONDABOOK.ru)
