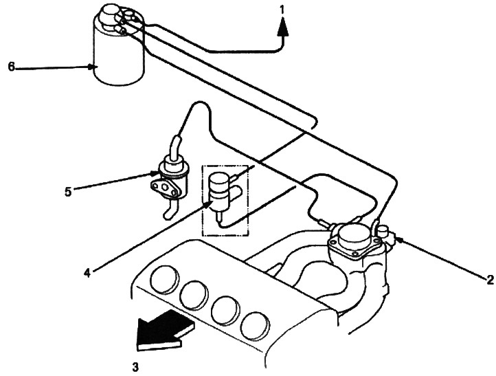
1. К ДВУХХОДОВОМУ КЛАПАНУ ФИЛЬТРА УЛАВЛИВАНИЯ ПАРОВ ТОПЛИВА (EVAP)
2. ДАЛИК АБСОЛЮТНОГО ДАВЛЕНИЯ В КОЛЛЕКТОРЕ (МАР)
3. ПЕРЕД АВТОМОБИЛЯ
4. ЭЛЕКТРОКЛАПАН ПРОДУВКИ ФИЛЬТРА УЛАВЛИВАНИЯ ПАРОВ ТОПЛИВА (EVAP) (на моделях с нейтрализатором TWC)
5. РЕГУЛЯТОР ДАВЛЕНИЯ ТОПЛИВА
6. УГОЛЬНЫЙ ФИЛЬТР ДЛЯ УЛАВЛИВАНИЯ ПАРОВ ТОПЛИВА (EVAP)
Модели с нейтрализатором TWC
1. Охлаждающая жидкость двигателя
1. Первичный подогреваемый датчик кислорода (первичный HO2S)
2. Вторичный подогреваемый датчик кислорода (вторичный HO2S)
3. Датчик температуры выхлопных газов (EGT)
4. Датчик абсолютного давления в коллекторе (МАР)
5. Датчик температуры охлаждающей жидкости двигателя (ЕСТ)
6. Датчик температуры всасываемого воздуха (IAT)
7. Клапан-регулятор подачи воздуха на оборотах холостого хода (IAC)
8. Топливная форсунка
9. Регулятор давления топлива
10. Топливный фильтр
11. Демпфер пульсаций топлива
12. Топливный насос (FP)
13. Топливный бак
14. Клапан улавливания паров топлива из топливного бака (EVAP)
15. Корпус дроссельной заслонки (ТВ)
16. Воздушный фильтр
17. Резонатор
18. Клапан принудительной вентиляции картера (PCV)
19. Трехходовой каталитический нейтрализатор
20. Угольный фильтр для улавливания паров топлива (EVAP)
21. Мембранный клапан продувки фильтра улавливания паров топлива (EVAP)
22. Электроклапан продувки фильтра улавливания паров топлива (EVAP)
23. Двухходовой клапан фильтра улавливания паров топлива (EVAP)
Модели без нейтрализатораTWC
1. Охлаждающая жидкость двигателя
2. без PCV
3. с PCV
1. Датчик абсолютного давления в коллекторе (МАР)
2. Датчик температуры охлаждающей жидкости двигателя (ЕСТ)
3. Датчик температуры всасываемого воздуха (IAT)
4. Клапан-регулятор подачи воздуха на оборотах холостого хода (■АС)
5. Топливная форсунка
6. Регулятор давления топлива
7. Топливный фильтр
8. Демпфер пульсаций топлива
9. Топливный насос (FP)
10. Топливный бак
11. Клапан улавливания паров топлива из топливного бака (EVAP)
12. Корпус дроссельной заслонки (ТВ)
13. Воздушный фильтр
14. Резонатор
15. Клапан принудительной вентиляции картера (PCV)
16. Угольный фильтр для улавливания паров топлива (EVAP)
17. Мембранный клапан продувки фильтра улавливания паров топлива(EVAP)
18. Двухходовой клапан фильтра улавливания паров топлива (EVAP)
