Предохранители:
1 АККУМУЛЯТОР (80 А)*
2 РЕЗЕРВНЫЙ ДОП. ПРИНАДЛЕЖНОСТИ (30 А)*
3 ГЛАВНЫЙ ВЫКЛЮЧАТЕЛЬ ЗАЖИГАНИЯ (50 А)*
4 БЛОК ECU (ЕСМ/РСМ) (15 А)*
5 ТОПЛИВНЫЙ НАСОС SRS (15 А)
6 КАТУШКА ЗАЖИГАНИЯ (15 А)
7 ОСВЕЩЕНИЕ ПРИБОРОВ (7,5 А)
8 СИГНАЛ СТАРТЕРА (7,5 А)
9 РЕЗЕРВ (7,5 А)
* в коробке предохранителей/реле под капотом


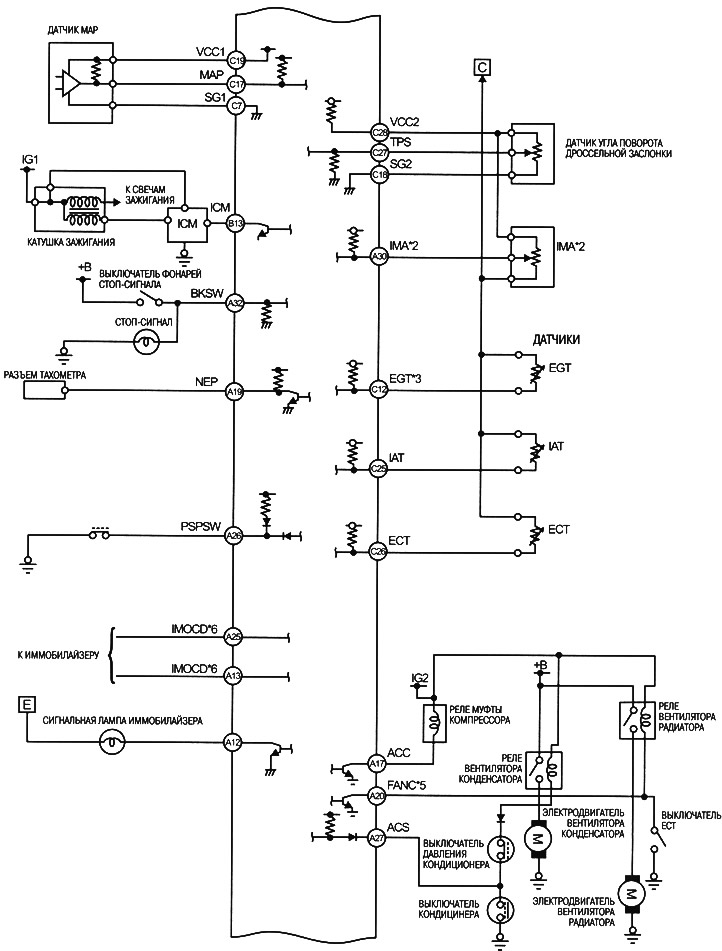
*1: Модели с нейтрализатором 1WC
*2: Модели без нейтрализатора TWC
*3: Модели с нейтрализатором TWC, за исключением модели KU
*4: АКП
*5: Модели KG, KE, KQ, KU
*6: Модели KG, KE, KQ, KN, KU
Разъемы блока ЕСМ/РСМ

