HondaBook.ru
Авто компании Volkswagen Авто компании Ford Авто компании Lada Авто компании Skoda Авто компании BMW Авто компании Mazda Авто компании Peugeot
Русский English
Български
Беларускі
Український
Српски
Hrvatski
Română
Polski
Slovenský
Magyar
В закладки Контакты Карта   
 
 
 
 
 
 
 
Accord Civic Fit / Jazz CR-V HR-V Другие Статьи
CR-V 1 (1995-2001, бензин) CR-V 2 (2002-2006, бензин)

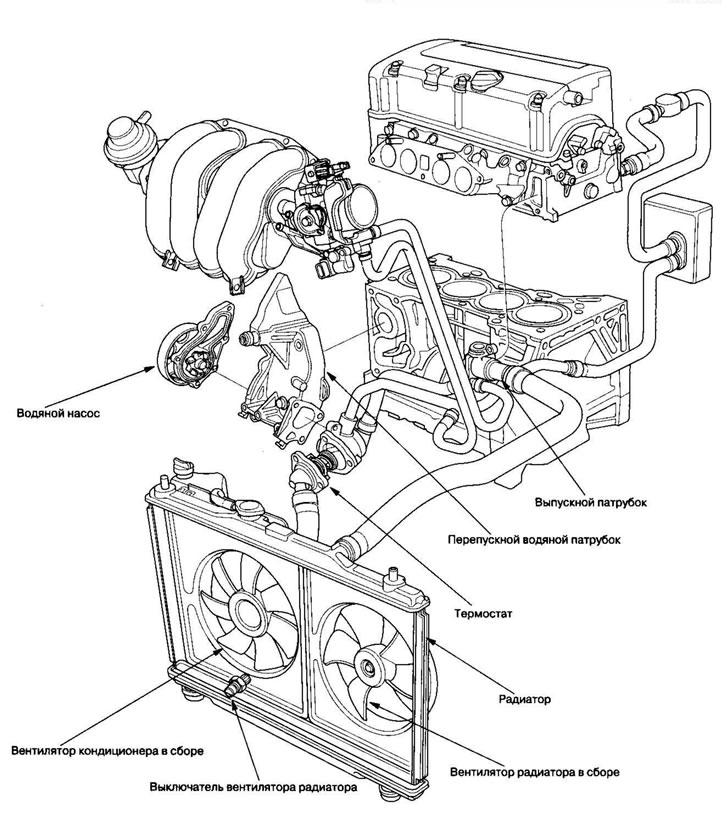
Расположение компонентов (Honda CR-V 2)

  • Главная
  • Хонда СРВ
  • 2 (2002-2006, бензин)
  • Силовой агрегат
  • Система охлаждения
  • Расположение компонентов
0

Расположение компонентов



Расположение компонентов


(Информация получена из этого источника hondabook.ru)
Эта статья доступна на: английском, болгарском, белорусском, украинском, сербском, хорватском, румынском, польском, словацком, венгерском
Эта информация была проверена: Михаил Копасов
Поделитесь с друзьями:
◀ Предыдущие
CR-V 2: Система охлаждения
Следующие ▶

 
Тестирование крышки радиатора
Тестирование радиатора
Тестирование электродвигателя вентилятора
Тестирование термостата
Проверка водяного насоса
Смотрите также другие статьи из мануалов Хонда:
Расположение компонентов системы питания в двигательном отсеке Хонда Аккорд 6 (1997-2002)
Система впрыска двигателей с одним распредвалом (SOHC) — расположение… Хонда Цивик 5 и 6 (1991-2000)
Расположение компонентов в салоне автомобиля Хонда Фит 1 (2001-2008)
Вентилятор — расположение компонентов и электросхема Хонда HR-V 1 (1998-2006, бензин)
Расположение компонентов Хонда Авансир 1 (1999-2003, бензин)
Ссылка в разных форматах на эту статью
Комментарии и отзывы посетителей
Комментариев пока нет


Сколько будет 22 + 32 ?

       





CR-V 2 (2002-2006, бензин) 
  • Общая информация
  • Руководство по эксплуатации
  • Технические данные
  • Техническое обслуживание
  • Силовой агрегат
  • Ремонт двигателя
  • Система смазки
  • Система охлаждения
  • Выхлопная система
  • Топливная система
  • Управление двигателем
  • Электрооборудование двигателя
  • Трансмиссия
  • Сцепление
  • Механическая коробка
  • Автоматическая коробка
  • Задний дифференциал
  • Приводные валы
  • Шасси и ходовая часть
  • Рулевое управление
  • Передняя подвеска
  • Задняя подвеска
  • Тормозная система
  • Кузов и салон
  • Экстерьер (внешние элементы)
  • Интерьер (внутренние элементы)
  • Двери, замки и окна
CR-V 1 (1995-2001, бензин) 
  • Общая информация
  • Техническое обслуживание
  • Советы автовладельцу
  • Силовой агрегат
  • Ремонт двигателя
  • Капитальный ремонт
  • Система охлаждения и смазки
  • Электрооборудование двигателя
  • Система управления
  • Топливная система
  • Трансмиссия
  • Сцепление и приводные валы
  • Коробка передач
  • Шасси и ходовая часть
  • Передняя подвеска
  • Задняя подвеска
  • Рулевое управление
  • Тормозная система
  • Кузов и салон
  • Обслуживание кузова
  • Экстерьер (внешние элементы)
  • Интерьер (внутренние элементы)
  • Электрооборудование
  • Оборудование и приборы
  • Электрические схемы
   Автомобильный анекдот:
хочу ещё один
HondaBook.ru © 2018–2026 • Мобильная версия • Карта сайта: EN BG BY UA RS HR RO PL SK HU • Обратная связь • Информация водителю • Поисковая система • В закладки
Аккорд 3 (1985-1989) • Аккорд 6 (1997-2002) • Цивик 3 и 4 (1983-1991) • Цивик 5 и 6 (1991-2000) • Цивик 6 (1995-2000) • Цивик 7 (2000-2005) • Цивик 8 (2005-2011) • Фит 1 (2001-2008) • CR-V 1 (1995-2001) • CR-V 2 (2002-2006) • HR-V 1 (1998-2006) • Авансир 1 (1999-2003) • Новости автомобилей Хонда • Устройство тормозных систем • Системы управления двигателем • Автоматические коробки передач • Советы новичку за рулем