Контрольные лампы и индикаторы (Honda Avancier 1)
Эта статья доступна на: английском, болгарском, белорусском, украинском, сербском, хорватском, румынском, польском, словацком, венгерском
Эта информация была проверена: Эмиль Сафонов
Ссылка в разных форматах на эту статью
Комментарии и отзывы посетителей
Комментариев пока нет
- Общая информация
- Органы управления и приборы
- Инструкция по эксплуатации
- Силовой агрегат
- Техобслуживание двигателей
- Ремонт двигателей
- Система охлаждения
- Управление двигателем
- Система питания и выхлопа
- Трансмиссия
- Автоматическая коробка
- Приводные валы и дифференциал
- Шасси и ходовая часть
- Рулевое управление
- Подвеска автомобиля
- Тормозная система
- Кузов и салон
- Двери, замки и окна
- Интерьер (внутренние элементы)
- Экстерьер (внешние элементы)
- Кондиционер воздуха
- Электрооборудование
- Силовые устройства
- Оборудование и приборы
- Фары и освещение
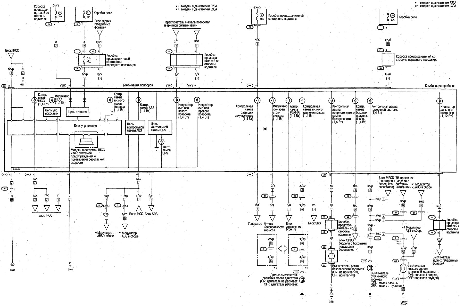
- Электрические схемы
Автомобильный анекдот:
хочу ещё один

