Примечание: перед отсоединением провода от аккумуляторной батареи убедитесь, что Вы знаете код доступа к магнитоле. В противном случае магнитола будет заблокирована.
2. Снимите корпус воздушного фильтра (см. главу "Техническое обслуживание и общие процедуры проверки и регулировки").
3. Снимите аккумуляторную батарею, площадку и кронштейн аккумуляторной батареи.
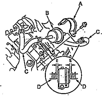
4. Отверните болт и снимите скобу (А) крепления фильтра рабочей жидкости.

5. Отсоедините шланги (С) от фильтра (В) рабочей жидкости АКПП и снимите фильтр.
Примечание:
- Установка производится в порядке, обратном снятию.
- Устанавливайте хомуты (D) так, чтобы расстояние (Е) было равно 6-8 мм.
